Product Summary
The 7MBR35UH120-50 is an IGBT module. The applications of the 7MBR35UH120-50 include Inverter for Motoe Drive, AC and DC Servo Drive Amplifier, Uninterruptible Power Supply.
Parametrics
7MBR35UH120-50 absolute maximum ratings: (1)Collector-Emitter voltage: 1200V; (2)Gate-Emitter voltage: ±20V; (3)Collector current: 35A; (4)Collector power disspation: 160W; (5)Collector-Emitter voltage: 1200V; (6)Gate-Emitter voltage: ±20V; (7)Collector current: 25A; (8)Collector power disspation: 115W; (9)Repetitive peak reverse voltage: 1200V.
Features
7MBR35UH120-50 features: (1)Low VCE(sat); (2)Compact Package; (3)P.C. Board Mount Module; (4)Converter Diode Bridge Dynamic Brake Circuit.
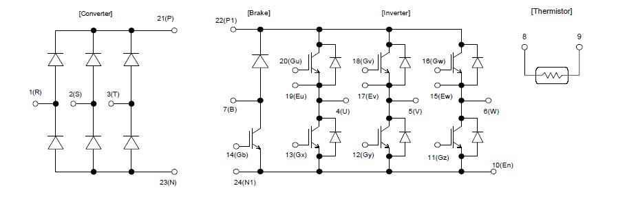
Diagrams

![]() |
![]() 7MBR 10SA-120 |
![]() Other |
![]() |
![]() Data Sheet |
![]() Negotiable |
|
||||
![]() |
![]() 7MBR100SB060 |
![]() Other |
![]() |
![]() Data Sheet |
![]() Negotiable |
|
||||
![]() |
![]() 7MBR100SD060 |
![]() Other |
![]() |
![]() Data Sheet |
![]() Negotiable |
|
||||
![]() |
![]() 7MBR100U4B120 |
![]() Other |
![]() |
![]() Data Sheet |
![]() Negotiable |
|
||||
![]() |
![]() 7MBR10NE120 |
![]() Other |
![]() |
![]() Data Sheet |
![]() Negotiable |
|
||||
![]() |
![]() 7MBR10SA120 |
![]() Other |
![]() |
![]() Data Sheet |
![]() Negotiable |
|
||||
(China (Mainland))








