Product Summary
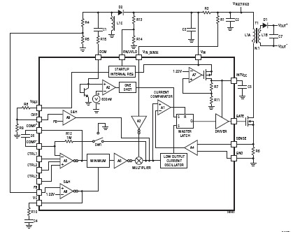
The LT3798EMSE#PBF is an Isolated No Opto-Coupler Flyback Controller. The LT3798EMSE#PBF is a constant-voltage/constant-current isolated flyback controller that combines active power factor correction (PFC) with no opto-coupler required for output voltage feedback into a single-stage converter. A LT3798EMSE#PBF based design can achieve a power factor of greater than 0.97 by actively modulating the input current, allowing compliance with most Harmonic Current Emission requirements. The LT3798EMSE#PBF is well suited for a wide variety of off-line applications. The input range can be scaled up or down, depending mainly on the choice of external components. Efficiencies higher than 86% can be achieved with output power levels up to 100W. In addition, the LT3798EMSE#PBF can easily be designed into high DC input applications. The applications of the LT3798EMSE#PBF include Offline 5W to 100W+ Applications, High DC VIN Isolated Applications and Offline Bus Converter (12V, 24V or 48V Outputs).
Parametrics
LT3798EMSE#PBF absolute maximum ratings : (1)EN/UVLO: 30V; (2)VIN: 42V; (3)INTVCC: 12V; (4)CTRL1, CTRL2, CTRL3: 4V; (5)FB, VREF, COMP+: 3V; (6)VC, OVP, COMP–: 4V; (7)SENSE: 0.4V; (8)VIN_SENSE: 1mA; (9)DCM: ±3mA; (10)Operating Temperature Range (Note 2): –40℃ to 125℃; (11)Storage Temperature Range: –65℃ to 150℃.
Features
LT3798EMSE#PBF features: (1)Isolated PFC Flyback with Minimum Number of External Components; (2)VIN and VOUT Limited Only by External Components; (3)Active Power Factor Correction; (4)Low Harmonic Distortion; (5)No Opto-Coupler Required; (6)Constant-Current and Constant-Voltage Regulation; (7)Accurate Regulated Voltage and Current (±5% Typical); (8)Energy Star Compliant (<0.5W No Load Operation); (9)Thermally Enhanced 16-lead MSOP Package.
Diagrams

| Image | Part No | Mfg | Description | ![]() |
Pricing (USD) |
Quantity | ||||||||||||
|---|---|---|---|---|---|---|---|---|---|---|---|---|---|---|---|---|---|---|
![]() |
![]() LT3798EMSE#PBF |
![]() |
![]() IC FLYBACK CTRL W/PFC 16-MSOP |
![]() Data Sheet |
![]()
|
|
||||||||||||
| Image | Part No | Mfg | Description | ![]() |
Pricing (USD) |
Quantity | ||||||||||||
![]() |
![]() LT370 |
![]() Seoul Semiconductor |
![]() Standard LED - Through Hole Green |
![]() Data Sheet |
![]()
|
|
||||||||||||
![]() |
![]() LT3710 |
![]() Other |
![]() |
![]() Data Sheet |
![]() Negotiable |
|
||||||||||||
![]() |
![]() LT3710EFE#PBF |
![]() |
![]() IC REG CTRLR BUCK PWM 16-TSSOP |
![]() Data Sheet |
![]()
|
|
||||||||||||
![]() |
![]() LT3710EFE#TR |
![]() |
![]() IC REG CTRLR BUCK PWM 16-TSSOP |
![]() Data Sheet |
![]()
|
|
||||||||||||
![]() |
![]() LT3710EFE#TRPBF |
![]() |
![]() IC REG CTRLR BUCK PWM 16-TSSOP |
![]() Data Sheet |
![]()
|
|
||||||||||||
![]() |
![]() LT3710EFE |
![]() |
![]() IC REG CTRLR BUCK PWM 16-TSSOP |
![]() Data Sheet |
![]()
|
|
||||||||||||
(China (Mainland))











