Product Summary
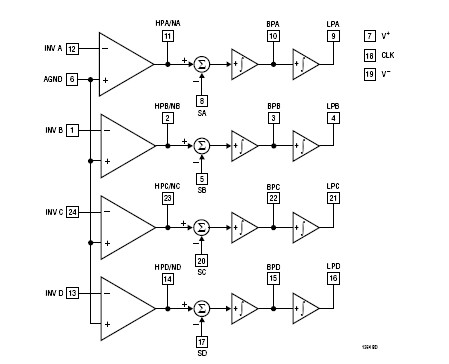
The LTC1264CSW is a Quad Universal Filter Building Block. The LTC1264CSW consists of four identical, high speed 2nd order switched-capacitor filter building blocks designed for center frequencies up to 250kHz. Each building block, together with three to five resistors, can provide 2nd order functions like lowpass, highpass, bandpass and notch. The center frequency of each 2nd order section is tuned via an external clock. The clock-to-center frequency ratio is internally set to 20:1, but it can be modified via external resistors. The aliasing performance of the LTC1264CSW is improved by double-sampling each 2nd order section. Input signal frequencies can reach up to twice the clock frequency before any alias products will be detectable. The applications of the LTC1264CSW include Digital Communications, Spread Spectrum Communications, Spectral Analysis, Loran Receivers and Instrumentation.
Parametrics
LTC1264CSW absolute maximum ratings: (1)Total Supply Voltage (V+ to V–): 16V; (2)Input Voltage (Note 2): (V+ + 0.3V) to (V– – 0.3V); (3)Output Short-Circuit Duration: Indefinite; (4)Power Dissipation: 400mW; (5)Burn-In Voltage: 16V; (6)Operating Temperature Range: –40℃ to 85℃; (7)Storage Temperature Range: – 65℃ to 150℃; (8)Lead Temperature (Soldering, 10 sec): 300℃.
Features
LTC1264CSW features: (1)High Speed, Up to 250kHz Center Frequency; (2)Four Identical Filters in a 0.3" Wide Package; (3)Clock-to-Center Frequency Ratio of 20:1; (4)Double-Sampling, Improved Aliasing; (5)Operates from ±2.37V to ±8V Power Supplies; (6)Customized Version with Internal Resistors Available; (7)Low Noise; (8)Low Harmonic Distortion; (9)Available in 24-Pin DIP and SO Wide Packages.
Diagrams

| Image | Part No | Mfg | Description | ![]() |
Pricing (USD) |
Quantity | ||||||
|---|---|---|---|---|---|---|---|---|---|---|---|---|
![]() |
![]() LTC1264CSW |
![]() |
![]() IC FILTR BUILDNG BLK HISPD24SOIC |
![]() Data Sheet |
![]()
|
|
||||||
![]() |
![]() LTC1264CSW#PBF |
![]() |
![]() IC FILTR BUILDNG BLK HISPD24SOIC |
![]() Data Sheet |
![]()
|
|
||||||
![]() |
![]() LTC1264CSW#TRPBF |
![]() |
![]() IC FILTER BUILD BLK QUAD 24-SOIC |
![]() Data Sheet |
![]()
|
|
||||||
![]() |
![]() LTC1264CSW#TR |
![]() |
![]() IC FILTER BUILD BLK QUAD 24-SOIC |
![]() Data Sheet |
![]()
|
|
||||||
(China (Mainland))









