Product Summary
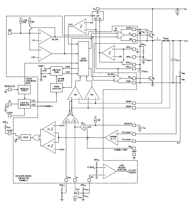
The LTC3838EFE#PBF is an Accurate Step-Down DC/DC Controller. The LTC3838EFE#PBF is a dual, PolyPhase synchronous step-down DC/DC switching regulator controller. Two independent channels drive all N-channel power MOSFETs. The controlled on-time, valley current mode control architecture allows for fast transient response and constant frequency switching in steady-state operation, independent of VIN, VOUT and load current. Its load-release transient detection feature significantly reduces overshoot at low output voltages. Differential output voltage sensing, along with a precision internal reference, offers an accurate ±0.67% output regulation on Channel 1, even if the remote output ground deviates from local ground by ±500mV. The second channel can either provide an independent ±1% output, or together with the first channel of this controller, serve as one of the PolyPhase channels for a single-output voltage. The switching frequency can be programmed from 200kHz to 2MHz with an external resistor, and can be synchronized to an external clock. Very low tON and tOFF times allow for near 0% and near 100% duty cycles, respectively. Voltage tracking soft start-up and multiple safety features are provided. The applications of the LTC3838EFE#PBF include Distributed Power Systems, Point-of-Load Converters, Computing Systems and Data Communication Systems.
Parametrics
LTC3838EFE#PBF absolute maximum ratings: (1)VIN Voltage: –0.3V to 40V; (2)BOOST1, BOOST2 Voltages: –0.3V to 46V; (3)SW1, SW2 Voltages: –5V to 40V; (4)INTVCC, DRVCC1, DRVCC2, EXTVCC, PGOOD1, PGOOD2, RUN1, RUN2, (BOOST1-SW1), (BOOST2-SW2), MODE/PLLIN Voltages: –0.3V to 6V; (5)VOUTSENSE1+, VOUTSENSE1–, SENSE1+, SENSE2+,SENSE1–, SENSE2– Voltages: –0.6V to 6V; (6)TRACK/SS1, TRACK/SS2 Voltages: –0.3V to 5V; (7)DTR1, DTR2, PHASMD, RT, VRNG1, VRNG2, VFB2, ITH1, ITH2 Voltages: –0.3V to (INTVCC + 0.3V); (8)Operating Junction Temperature Range (Note 2, 3, 4): –40℃ to 125℃; (9)Storage Temperature Range: –65℃ to 150℃; (10)Lead Temperature (Soldering, 10 sec) FE Package: 300℃.
Features
LTC3838EFE#PBF features: (1)Wide VIN Range: 4.5V to 38V, VOUT: 0.6V to 5.5V; (2)±0.67% Output Voltage Accuracy Over Temperature, Differential Output Voltage Sensing, Allowing Up to ±500mV Line Loss at Remote Ground on Channel 1; (3)±1% Output on the Independent 2nd Channel; (4)Controlled On-Time, Valley Current Mode Control; (5)Fast Load Transient Response; (6)Detect Transient (DTR) Reduces VOUT Overshoot; (7)Frequency Programmable from 200kHz to 2MHz, Synchronizable to External Clock; (8)tON(MIN) = 30ns, tOFF(MIN) = 90ns; (9)RSENSE or Inductor DCR Current Sensing; (10)Overvoltage Protection and Current Limit Foldback; (11)Power Good Output Voltage Monitor; (12)Output Voltage Tracking and Adjustable Soft Start-Up; (13)Thermally Enhanced 38-Pin (5mm × 7mm) QFN and TSSOP packages.
Diagrams

| Image | Part No | Mfg | Description | ![]() |
Pricing (USD) |
Quantity | ||||||||||
|---|---|---|---|---|---|---|---|---|---|---|---|---|---|---|---|---|
![]() |
![]() LTC3838EFE#PBF |
![]() |
![]() IC REG CTRLR BUCK PWM CM 38TSSOP |
![]() Data Sheet |
![]()
|
|
||||||||||
| Image | Part No | Mfg | Description | ![]() |
Pricing (USD) |
Quantity | ||||||||||
![]() |
![]() LTC3025 |
![]() Other |
![]() |
![]() Data Sheet |
![]() Negotiable |
|
||||||||||
![]() |
![]() LTC3025EDC#TR |
![]() |
![]() IC REG LDO ADJ .3A 6DFN |
![]() Data Sheet |
![]()
|
|
||||||||||
![]() |
![]() LTC3025EDC#TRM |
![]() |
![]() IC REG LDO ADJ .3A 6DFN |
![]() Data Sheet |
![]()
|
|
||||||||||
![]() |
![]() LTC3025EDC#TRMPBF |
![]() |
![]() IC REG LDO ADJ .3A 6DFN |
![]() Data Sheet |
![]()
|
|
||||||||||
![]() |
![]() LTC3025EDC#TRPBF |
![]() |
![]() IC REG LDO ADJ .3A 6DFN |
![]() Data Sheet |
![]()
|
|
||||||||||
![]() |
![]() LTC3025EDC-1#TRMPBF |
![]() |
![]() IC REG LDO ADJ .5A 6DFN |
![]() Data Sheet |
![]()
|
|
||||||||||
(China (Mainland))










