Product Summary
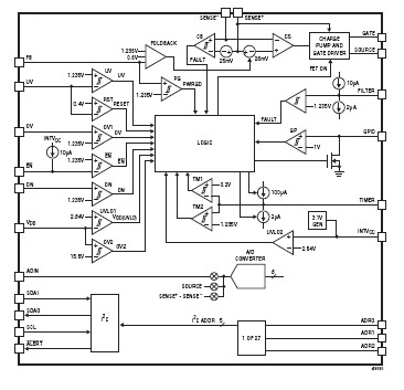
The LTC4280CUFD is a Hot Swap Controller. The LTC4280CUFD Hot Swap™ controller allows a board to be safely inserted and removed from a live backplane. Using an external N-channel pass transistor, board supply voltage and inrush current are ramped up at an adjustable rate. An I2C interface and onboard ADC allow for monitoring of load current, voltage and fault status. The device features adjustable analog foldback current limit and a FILTER pin which configures the time spent in overcurrent before declaring a fault. An I2C interface may configure the part to latch off or automatically restart after the LTC4280CUFD detects a current limit fault. The controller has additional features to interrupt the host when a fault has occurred, notify when output power is good, detect insertion of a load card, and power-up either automatically upon insertion or wait for an I2C command to turn on. The applications of the LTC4280CUFD include Live Board Insertion, Electronic Circuit Breakers, Computers, Servers and Platform Management.
Parametrics
LTC4280CUFD absolute maximum ratings: (1)Supply Voltage (INTVCC): –0.3V to 6.5V; (2)Input Voltages GATE-SOURCE (Note 3): –0.3V to 5V; (3)SENSE+, SENSE–: VDD – 0.3V to VDD + 0.3V; (4)SOURCE: –5V to 24V; (5)EN, FB, ON, OV, UV: –0.3V to 12V; (6)ADR0, ADR1, ADR2, TIMER, ADIN, FILTER: –0.3V to INTVCC + 0.3V; (7)ALERT SCL, SDA, SDAI, SDAO: –0.3V to 6.5V; (8)Output Voltages GATE, GPIO: –0.3V to 24V; (9)Operating Temperature Range: 0℃ to 70℃; (10)Storage Temperature Range SSOP: –65℃ to 150℃; (11)QFN: –65℃ to 125℃; (12)Lead Temperature (Soldering, 10 sec) SSOP: 300℃.
Features
LTC4280CUFD features: (1)Allows Safe Insertion into Live Backplane; (2)8-Bit ADC Monitors Current and Voltage; (3)I2C/SMBus Interface; (4)Wide Operating Voltage Range: 2.9V to 15V; (5)Adjustable Overcurrent Filter Time; (6)High Side Drive for External N-Channel MOSFET; (7)No External Gate Capacitor Required; (8)Input Overvoltage/Undervoltage Protection; (9)Optional Latchoff or Auto-Retry After Faults; (10)Alerts Host After Faults; (11)Inrush Current Limit with Foldback; (12)Available in 24-Pin 4mm × 5mm QFN Package.
Diagrams

| Image | Part No | Mfg | Description | ![]() |
Pricing (USD) |
Quantity | ||||||
|---|---|---|---|---|---|---|---|---|---|---|---|---|
![]() |
![]() LTC4280CUFD#PBF |
![]() |
![]() IC CONTROLLER HOT SWAP QFN-24 |
![]() Data Sheet |
![]()
|
|
||||||
![]() |
![]() LTC4280CUFD#TRPBF |
![]() |
![]() IC CTLR HOT SWAP I2C MON 24QFN |
![]() Data Sheet |
![]()
|
|
||||||
(China (Mainland))









