Product Summary
The 2MBI100-120 is an IGBT module. The applications of the 2MBI100-120 include High Power Switching, A.C. Motor Controls, D.C. Motor Controls and Uninterruptible Power Supply.
Parametrics
2MBI100-120 absolute maximum ratings: (1)Collector-Emitter Voltage : 1200 V; (2)Gate -Emitter Voltage : ± 20 V; (3)Collector Current: 200A; (4)Max. Power Dissipation : 780 W; (5)Operating Temperature : +150 ℃; (6)Storage Temperature : -40 ~ +125 ℃; (7)Isolation Voltage: 2500 V.
Features
2MBI100-120 features: (1)Square RBSOA; (2)Low Saturation Voltage; (3)Less Total Power Dissipation; (4)Improved FWD Characteristic; (5)Minimized Internal Stray Inductance; (6)Over current Limiting Function (4~5 Times Rated Current).
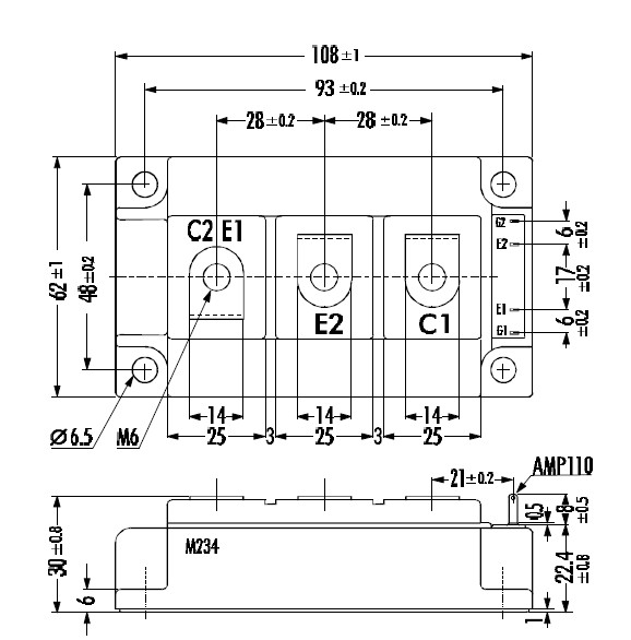
Diagrams

![]() |
![]() 2MBI100N-060-03 |
![]() Other |
![]() |
![]() Data Sheet |
![]() Negotiable |
|
||||
![]() |
![]() 2MBI100NB-120 |
![]() Other |
![]() |
![]() Data Sheet |
![]() Negotiable |
|
||||
![]() |
![]() 2MBI100NC-120 |
![]() Other |
![]() |
![]() Data Sheet |
![]() Negotiable |
|
||||
![]() |
![]() 2MBI100NE-120 |
![]() Other |
![]() |
![]() Data Sheet |
![]() Negotiable |
|
||||
![]() |
![]() 2MBI100P-140 |
![]() Other |
![]() |
![]() Data Sheet |
![]() Negotiable |
|
||||
![]() |
![]() 2MBI100PC-140 |
![]() Other |
![]() |
![]() Data Sheet |
![]() Negotiable |
|
||||
(China (Mainland))








