Product Summary
The 2MBI400U2B-060-50 is an IGBT Module. The applications of the 2MBI400U2B-060-50 include Inverter for Motor drive, AC and DC Servo drive amplifier, Uninterruptible power supply and Industrial machines, such as Welding machines.
Parametrics
2MBI400U2B-060-50 absolute maximum ratings: (1)Collector-Emitter Voltage: 650 V; (2)Gate -Emitter Voltage: ± 20 V; (3)Collector Current: 400A; (4)Max. Power Dissipation: 1250 W; (5)Operating Temperature: +150 ℃; (6)Storage Temperature: -40 ~ +125 ℃.
Features
2MBI400U2B-060-50 features: (1)High speed switching; (2)Voltage drive; (3)Low inductance module structure.
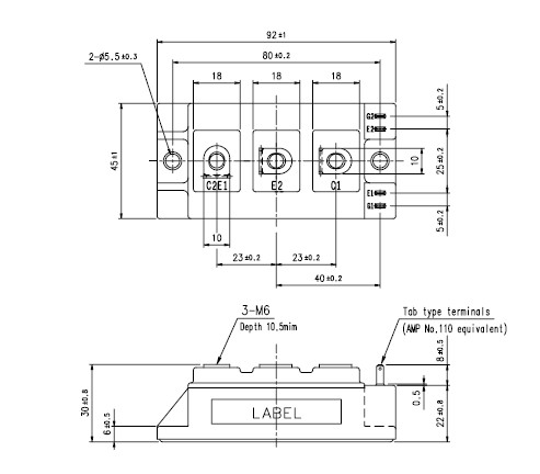
Diagrams

![]() |
![]() 2MBI100N-060-03 |
![]() Other |
![]() |
![]() Data Sheet |
![]() Negotiable |
|
||||
![]() |
![]() 2MBI100NB-120 |
![]() Other |
![]() |
![]() Data Sheet |
![]() Negotiable |
|
||||
![]() |
![]() 2MBI100NC-120 |
![]() Other |
![]() |
![]() Data Sheet |
![]() Negotiable |
|
||||
![]() |
![]() 2MBI100NE-120 |
![]() Other |
![]() |
![]() Data Sheet |
![]() Negotiable |
|
||||
![]() |
![]() 2MBI100P-140 |
![]() Other |
![]() |
![]() Data Sheet |
![]() Negotiable |
|
||||
![]() |
![]() 2MBI100PC-140 |
![]() Other |
![]() |
![]() Data Sheet |
![]() Negotiable |
|
||||
(China (Mainland))








