Product Summary
The 2MBI75N-060 is an IGBT Module. The applications of the 2MBI75N-060 include High Power Switching, A.C. Motor Controls, D.C. Motor Controls and Uninterruptible Power Supply.
Parametrics
2MBI75N-060 absolute maximum ratings: (1)Collector-Emitter Voltage: 600 V; (2)Gate -Emitter Voltage: ± 20 V; (3)Collector Current: 150A; (4)Max. Power Dissipation: 320 W; (5)Operating Temperature: +150 ℃; (6)Storage Temperature: -40 ~ +125 ℃; (7)Isolation Voltage: 2500 V.
Features
2MBI75N-060 features: (1)Square RBSOA; (2)Low Saturation Voltage; (3)Less Total Power Dissipation; (4)Improved FWD Characteristic; (5)Minimized Internal Stray Inductance; (6)Over current Limiting Function (~3 Times Rated Current).
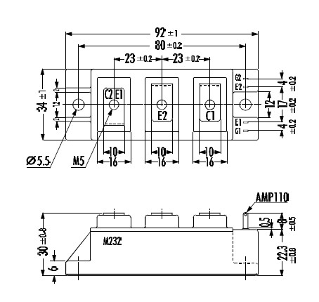
Diagrams

| Image | Part No | Mfg | Description |  | Pricing (USD) | Quantity | ||||
|---|---|---|---|---|---|---|---|---|---|---|
|  |  2MBI75N-060 |  Other |  |  Data Sheet |  Negotiable |  | ||||
| Image | Part No | Mfg | Description |  | Pricing (USD) | Quantity | ||||
|  |  2MBI100N-060-03 |  Other |  |  Data Sheet |  Negotiable |  | ||||
|  |  2MBI100NB-120 |  Other |  |  Data Sheet |  Negotiable |  | ||||
|  |  2MBI100NC-120 |  Other |  |  Data Sheet |  Negotiable |  | ||||
|  |  2MBI100NE-120 |  Other |  |  Data Sheet |  Negotiable |  | ||||
|  |  2MBI100P-140 |  Other |  |  Data Sheet |  Negotiable |  | ||||
|  |  2MBI100PC-140 |  Other |  |  Data Sheet |  Negotiable |  | ||||
 (China (Mainland))
 (China (Mainland)) 
                         
                        
 
                                    




