Product Summary
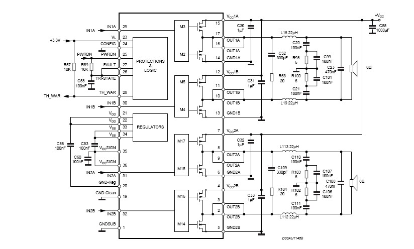
The STA508TRPBF is a quad power half bridge. The STA508TRPBF is a monolithic quad half bridge stage in Multipower BCD Technology. The device can be used as dual bridge or reconfigured, by connecting CONFIG pin to Vdd pin, as single bridge with double current capability, and as half bridge (Binary mode) with half current capability.
Parametrics
STA508TRPBF absolute maximum ratings: (1)DC Supply Voltage (Pin 4,7,12,15): 40 V; (2)Maximum Voltage on pins 23 to 32: 5.5 V; (3)Power Dissipation (Tcase = 70℃): 50 W; (4)Operating Temperature Range: 0 to 70 ℃; (5)Storage and Junction Temperature: -40 to 150 ℃.
Features
STA508TRPBF features: (1)multipower BCD technology; (2)minimum input output pulse width distortion; (3)200mΩ RdsON complementary DMOS output stage; (4)CMOS compatible logic inputs; (5)thermal protection; (6)thermal warning output; (7)under voltage protection.
Diagrams

![]() |
![]() STA500 |
![]() STMicroelectronics |
![]() Audio Amplifiers Quad Pwr Half Bridge |
![]() Data Sheet |
![]() Negotiable |
|
||||
![]() |
![]() STA50013TR |
![]() STMicroelectronics |
![]() Audio Amplifiers Quad Pwr Half Bridge |
![]() Data Sheet |
![]() Negotiable |
|
||||
![]() |
![]() STA501 |
![]() STMicroelectronics |
![]() Audio Amplifiers 40V 3.5A Half Bridge |
![]() Data Sheet |
![]() Negotiable |
|
||||
![]() |
![]() STA501013TR |
![]() STMicroelectronics |
![]() Audio Amplifiers 40V 3.5A Half Bridge |
![]() Data Sheet |
![]() Negotiable |
|
||||
![]() |
![]() STA501A |
![]() STMicroelectronics |
![]() Audio DSPs 45V 4A Double Pwr Half Bridge |
![]() Data Sheet |
![]() Negotiable |
|
||||
![]() |
![]() STA501A13TR |
![]() STMicroelectronics |
![]() Audio DSPs 45V 4A Double Pwr Half Bridge |
![]() Data Sheet |
![]() Negotiable |
|
||||
(China (Mainland))








