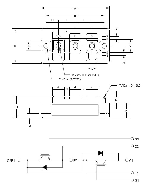
Product Summary
The CM200DY-12H is a high power switching use insulated type. The applications of the CM200DY-12H include AC Motor Control, Motion/Servo Control, UPS and Welding Power Supplies.
Parametrics
CM200DY-12H absolute maximum ratings: (1)Junction Temperature : –40 to 150 ℃; (2)Storage Temperature : –40 to 125 ℃; (3)Collector-Emitter Voltage (G-E SHORT) : 600 V; (4)Gate-Emitter Voltage (C-E SHORT) : ±20 V; (5)Collector Current (TC = 25℃) : 200 A; (6)Peak Collector Current : 400 A; (7)Emitter Current (TC = 25℃) : 200 A; (8)Peak Emitter Current : 400 A; (9)Maximum Collector Dissipation (TC = 25℃, Tj ≤ 150℃) : 780 W; (10)Mounting Torque, M5 Main Terminal : 1.47 ~ 1.96 N • m; (11)Mounting Torque, M6 Mounting : 1.96 ~ 2.94 N • m.
Features
CM200DY-12H features: (1)Low Drive Power; (2)Low VCE(sat); (3)Discrete Super-Fast Recovery Free-Wheel Diode; (4)High Frequency Operation; (5)Isolated Baseplate for Easy Heat Sinking.
Diagrams

| Image | Part No | Mfg | Description | ![]() |
Pricing (USD) |
Quantity | ||||||||||||
|---|---|---|---|---|---|---|---|---|---|---|---|---|---|---|---|---|---|---|
![]() |
![]() CM200DY-12H |
![]() |
![]() IGBT MOD DUAL 600V 200A H SER |
![]() Data Sheet |
![]() Negotiable |
|
||||||||||||
| Image | Part No | Mfg | Description | ![]() |
Pricing (USD) |
Quantity | ||||||||||||
![]() |
![]() CM2006 |
![]() Other |
![]() |
![]() Data Sheet |
![]() Negotiable |
|
||||||||||||
![]() |
![]() CM2006-02QR |
![]() ON Semiconductor |
![]() Video ICs VGA Port Monitor |
![]() Data Sheet |
![]()
|
|
||||||||||||
![]() |
![]() CM2009 |
![]() Other |
![]() |
![]() Data Sheet |
![]() Negotiable |
|
||||||||||||
![]() |
![]() CM2009-00QR |
![]() ON Semiconductor |
![]() Video ICs VGA Port Circuit 55 Ohm |
![]() Data Sheet |
![]()
|
|
||||||||||||
![]() |
![]() CM2009-02QR |
![]() ON Semiconductor |
![]() Video ICs VGA Port Circuit 15 Ohm |
![]() Data Sheet |
![]()
|
|
||||||||||||
![]() |
![]() CM200C-32.768KAZF-UT |
![]() Citizen |
![]() Crystals 32.768K 30ppm 12.5pF |
![]() Data Sheet |
![]()
|
|
||||||||||||
(China (Mainland))












