Product Summary
The CY28RS480OXCT is a clock generator for ATI.
Parametrics
CY28RS480OXCT absolute maximum ratings: (1)VDD, core supply voltage: 4.6V; (2)VDDA, Analog supply voltage: 4.6V; (3)VIN, input voltage: VDD+0.5VDC; (4)TS, temperature storage: -65 to 150℃; (5)TA, Operating ambient temperature: 0 to 70℃; (6)TJ, Junction temperature: 150℃; (7)ESD protection: 2000V.
Features
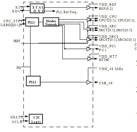
CY28RS480OXCT features: (1)Supports AMD CPU; (2)200MHz differential CPU clock pairs; (3)100MHz differential SRC clock; (4)48MHz USB clock; (5)33MHz PCI clock; (6)66MHz hypertransport clock.
Diagrams

| Image | Part No | Mfg | Description | ![]() |
Pricing (USD) |
Quantity | ||||||||||||
|---|---|---|---|---|---|---|---|---|---|---|---|---|---|---|---|---|---|---|
![]() CY28RS480OXCT |
![]() |
![]() IC CLOCK GENERATOR 56-SSOP |
![]() Data Sheet |
![]() Negotiable |
|
|||||||||||||
| Image | Part No | Mfg | Description | ![]() |
Pricing (USD) |
Quantity | ||||||||||||
![]() |
![]() CY28158 |
![]() Other |
![]() |
![]() Data Sheet |
![]() Negotiable |
|
||||||||||||
![]() CY28158OXC |
![]() |
![]() IC TIME SPREAD SPECTRUM 56-SSOP |
![]() Data Sheet |
![]() Negotiable |
|
|||||||||||||
![]() CY28158OXCT |
![]() |
![]() IC TIME SPREAD SPECTRUM 56-SSOP |
![]() Data Sheet |
![]() Negotiable |
|
|||||||||||||
![]() |
![]() CY28301 |
![]() Other |
![]() |
![]() Data Sheet |
![]() Negotiable |
|
||||||||||||
![]() |
![]() CY28317-2 |
![]() Other |
![]() |
![]() Data Sheet |
![]() Negotiable |
|
||||||||||||
![]() |
![]() CY28317PVXC-2 |
![]() Silicon Labs |
![]() Clock Generators & Support Products NB Clk VIA SDRAM Chipsets / Tualatin |
![]() Data Sheet |
![]()
|
|
||||||||||||
(China (Mainland))









