Product Summary
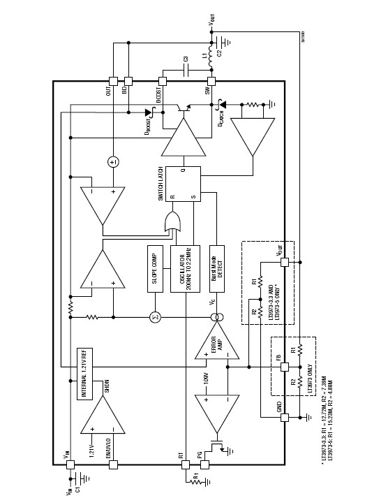
The LT3973EDD#PBF is a Step-Down Regulator. The LT3973EDD#PBF is an adjustable frequency monolithic buck switching regulator that accepts a wide input voltage range up to 42V, and consumes only 2.5μA of quiescent current. A high efficiency switch is included on the die along with the catch diode, boost diode, and the necessary oscillator, control and logic circuitry. Low ripple Burst Mode operation maintains high efficiency at low output currents while keeping the output ripple below 10mV in a typical application. A minimum dropout voltage of 530mV is maintained when the input voltage drops below the programmed output voltage, such as during automotive cold crank. Current mode topology is used for fast transient response and good loop stability. A catch diode current limit provides protection against shorted outputs and overvoltage conditions, with thermal shutdown providing additional fault protection. An accurate programmable undervoltage lockout feature is available, producing a low shutdown current of 0.75μA. A power good flag signals when VOUT reaches 90% of the programmed output voltage. The LT3973EDD#PBF is available in small, thermally enhanced 10-lead MSOP and 3mm x 3mm DFN packages. The applications of the LT3973EDD#PBF include Automotive Battery Regulation, Power for Portable Products, Industrial Supplies and Gate Drive Bias.
Parametrics
LT3973EDD#PBF absolute maximum ratings: (1)VIN, EN/UVLO Voltage: 42V; (2)BOOST Pin Voltage: 55V; (3)BOOST Pin Above SW Pin: 25V; (4)FB/VOUT, RT, PG Voltage: 6V; (5)BD Voltage: 25V; (6)OUT Voltage: 14V; (7)Operating Junction Temperature Range (Note 2): –40℃ to 125℃; (8)Storage Temperature Range: –65℃ to 150℃; (9)Lead Temperature (Soldering, 10 sec) MS Only: 300℃.
Features
LT3973EDD#PBF features: (1)Wide Input Voltage Range: 4.2V to 42V Operating; (2)Adjustable Switching Frequency: 200kHz to 2.2MHz; (3)Integrated Boost and Catch Diodes; (4)750mA Output Current; (5)Excellent Start-Up and Dropout Performance; (6)Accurate Programmable Undervoltage Lockout; (7)Low Shutdown Current: IQ = 0.75μA; (8)Internal Catch Diode Current Limit; (9)Power Good Flag; (10)Thermal Shutdown; (11)Small, Thermally Enhanced 10-Lead MSOP and (3mm × 3mm) DFN Packages.
Diagrams

| Image | Part No | Mfg | Description | ![]() |
Pricing (USD) |
Quantity | ||||||||||
|---|---|---|---|---|---|---|---|---|---|---|---|---|---|---|---|---|
![]() |
![]() LT3973EDD#PBF |
![]() |
![]() IC REG BUCK ADJ 0.75A 10DFN |
![]() Data Sheet |
![]()
|
|
||||||||||
| Image | Part No | Mfg | Description | ![]() |
Pricing (USD) |
Quantity | ||||||||||
![]() |
![]() LT3956EUHE#PBF |
![]() |
![]() IC LED DVR BUCK BOOST 36-VQFN |
![]() Data Sheet |
![]()
|
|
||||||||||
![]() |
![]() LT3956EUHE#TRPBF |
![]() |
![]() IC LED DVR BUCK BOOST 36-VQFN |
![]() Data Sheet |
![]()
|
|
||||||||||
![]() |
![]() LT3956IUHE#PBF |
![]() |
![]() IC LED DVR BUCK BOOST 36-VQFN |
![]() Data Sheet |
![]()
|
|
||||||||||
![]() |
![]() LT3956IUHE#TRPBF |
![]() |
![]() IC LED DVR BUCK BOOST 36-VQFN |
![]() Data Sheet |
![]()
|
|
||||||||||
![]() |
![]() LT3957AEUHE#PBF |
![]() |
![]() IC REG MULTI CONFIG ADJ 5A 36QFN |
![]() Data Sheet |
![]()
|
|
||||||||||
![]() |
![]() LT3957AEUHE#TRPBF |
![]() |
![]() IC REG MULTI CONFIG ADJ 5A 36QFN |
![]() Data Sheet |
![]()
|
|
||||||||||
(China (Mainland))










