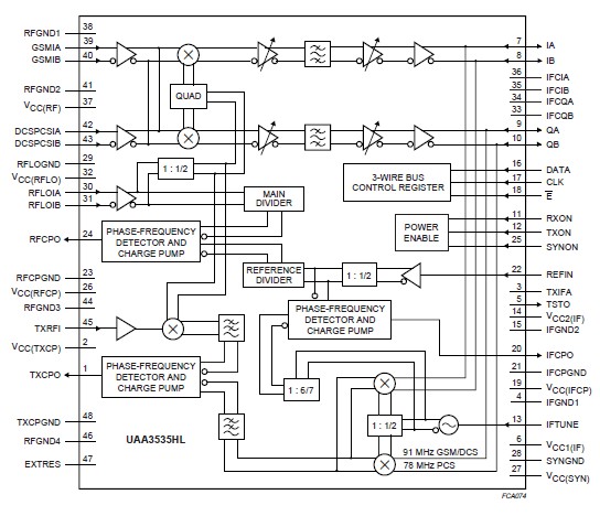
Product Summary
The UAA3537HN/C1 is a Low power GSM/DCS/PCS multi-band transceiver. The UAA3537HN/C1 is intended for Global Systems for Mobile communication (GSM), Digital Cellular communication Systems (DCS) and Personal Communication Services (PCS). The circuit integrates the receiver and most of the transmitter section of hand-held transceivers for these applications. The applications of the UAA3537HN/C1 include GSM 900 MHz, DCS 1800 MHz and PCS 1900 MHz hand-held transceivers.
Parametrics
UAA3537HN/C1 absolute maximum ratings: (1)VCC supply voltage -0.3 to +3.6 V; (2)VCC(TXCP); VCC(RFCP) supply voltage for RX and TX charge pumps: -0.3 to +4.25V; (3)Pmax maximum power dissipation: 1W; (4)Tamb ambient temperature: -30 to +70℃; (5)Tstg storage temperature: -40 to +150℃.
Features
UAA3537HN/C1 features: (1)Multi-band application for GSM, DCS and PCS cellular phone systems; (2)Low noise and wide dynamic range low IF receiver; (3)More than 35 dB on-chip image rejection in receive mode; (4)More than 64 dB gain control range in receive mode; (5)Integrated channel filter; (6)Integrated TX low-pass filter; (7)High precision I/Q modulator; (8)Multi-band TX modulation loop architecture including offset mixer and phase-frequency detector; (9)Dual PLL with on-chip fully integrated IF VCO; (10)Fully differential design minimizing crosstalk and spurious signals; (11)Functional down to 2.4 V and up to 3.6 V; (12)3-wire serial bus interface; (13)LQFP48 package.
Diagrams

![]() |
![]() UAA3201T/V1,112 |
![]() NXP Semiconductors |
![]() RF Transceiver REMOTE CONTROL RECVR |
![]() Data Sheet |
![]() Negotiable |
|
||||||||||||
![]() |
![]() UAA3201T/V1,118 |
![]() NXP Semiconductors |
![]() RF Transceiver REMOTE CONTROL RECVR |
![]() Data Sheet |
![]() Negotiable |
|
||||||||||||
![]() |
![]() UAA3201TD |
![]() NXP Semiconductors |
![]() RF Transceiver REMOTE CONTROL RECVR |
![]() Data Sheet |
![]() Negotiable |
|
||||||||||||
![]() |
![]() UAA3201TD-T |
![]() NXP Semiconductors |
![]() RF Transceiver REMOTE CONTROL RECVR |
![]() Data Sheet |
![]() Negotiable |
|
||||||||||||
![]() |
![]() UAA3220TS |
![]() Other |
![]() |
![]() Data Sheet |
![]() Negotiable |
|
||||||||||||
![]() |
![]() UAA3220TS/V1S,118 |
![]() NXP Semiconductors |
![]() RF Receiver FSK/ASK 5.5V 433MHz |
![]() Data Sheet |
![]()
|
|
||||||||||||
(China (Mainland))









