Product Summary
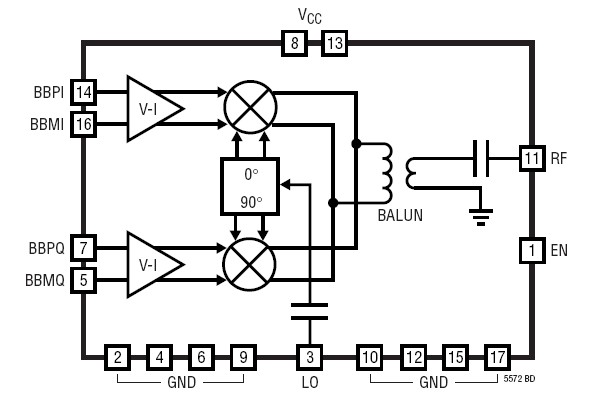
The LT5572EUF is a High Linearity Direct Quadrature Modulator. The LT5572EUF is a direct I/Q modulator designed for high performance wireless applications, including wireless infrastructure. It allows direct modulation of an RF signal using differential baseband I and Q signals. It supports PHS, GSM, EDGE, TD-SCDMA, CDMA, CDMA2000, W-CDMA and other systems. It may also be configured as an image reject up-converting mixer by applying 90° phase-shifted signals to the I and Q inputs. The high impedance I/Q baseband inputs consist of voltage-to-current converters that in turn drive double-balanced mixers. The outputs of these mixers are summed and applied to an on-chip RF transformer which converts the differential mixer signals to a 50Ω single-ended output. The four balanced I and Q baseband input ports are intended for DC coupling from a source with a common mode voltage level of about 0.5V. The LO path consists of an LO buffer with single-ended input and precision quadrature generators that produce the LO drive for the mixers. The supply voltage range is 4.5V to 5.25V. The applications of the LT5572EUF include Infrastructure Tx for DCS, PCS and UMTS Bands, Image Reject Up-Converters for DCS, PCS and UMTS Bands and Low Noise Variable Phase Shifter for 1.5GHz to 2.5GHz Local Oscillator Signals.
Parametrics
LT5572EUF absolute maximum ratings: (1)Supply Voltage: 5.5V; (2)Common Mode Level of BBPI, BBMI and BBPQ, BBMQ: 0.6V; (3)Voltage on Any Pin Not to Exceed: –500mV to (VCC + 500mV); (4)Operating Ambient Temperature Range (Note 2): –40℃ to 85℃; (5)Storage Temperature Range: –65℃ to 125℃.
Features
LT5572EUF features: (1)Direct Conversion from Baseband to RF; (2)High Output: –2.5dB Conversion Gain; (3)High OIP3: +21.6dBm at 2GHz; (4)Low Carrier Leakage: –39.4dBm at 2GHz; (5)High Image Rejection: –41.2dBc at 2GHz; (6)4-Channel W-CDMA ACPR: –67.7dBc at 2.14GHz; (7)Integrated LO Buffer and LO Quadrature Phase Generator; (8)50Ω AC-Coupled Single-Ended LO and RF Ports; (9)High Impedance DC Interface to Baseband Inputs with 0.5V Common Mode Voltage; (10)16-Lead QFN 4mm × 4mm Package.
Diagrams

| Image | Part No | Mfg | Description | ![]() |
Pricing (USD) |
Quantity | ||||||||||
|---|---|---|---|---|---|---|---|---|---|---|---|---|---|---|---|---|
![]() |
![]() LT5572EUF#PBF |
![]() |
![]() IC DIRECT QUADRATURE MOD 16-QFN |
![]() Data Sheet |
![]()
|
|
||||||||||
![]() |
![]() LT5572EUF#TRPBF |
![]() |
![]() IC DIRECT QUADRATURE MOD 16-QFN |
![]() Data Sheet |
![]()
|
|
||||||||||
(China (Mainland))









