Product Summary
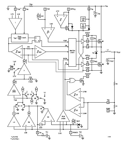
The LTC1778HGN#PBF is a Step-Down Controller. The LTC1778HGN#PBF is a synchronous step-down switching regulator controller optimized for CPU power. The controller uses a valley current control architecture to deliver very low duty cycles with excellent transient response without requiring a sense resistor. Operating frequency is selected by an external resistor and is compensated for variations in VIN. Discontinuous mode operation provides high efficiency operation at light loads. A forced continuous control pin reduces noise and RF interference, and can assist secondary winding regulation by disabling discontinuous operation when the main output is lightly loaded. The applications of the LTC1778HGN#PBF include Notebook and Palmtop Computers and Distributed Power Systems.
Parametrics
LTC1778HGN#PBF absolute maximum ratings: (1)Input Supply Voltage (VIN, ION): 36V to –0.3V; (2)Boosted Topside Driver Supply Voltage (BOOST): 42V to –0.3V; (3)SW Voltage: 36V to –5V; (4)EXTVCC, (BOOST – SW), RUN/SS, PGOOD Voltages: 7V to –0.3V; (5)FCB, VON, VRNG Voltages: INTVCC + 0.3V to –0.3V; (6)ITH, VFB Voltages: 2.7V to –0.3V; (7)TG, BG, INTVCC, EXTVCC Peak Currents: 2A; (8)TG, BG, INTVCC, EXTVCC RMS Currents: 50mA; (9)Operating Ambient Temperature Range (Note 4): –40℃ to 85℃; (10)Junction Temperature (Note 2): 125℃; (11)Storage Temperature Range: –65℃ to 150℃; (12)Lead Temperature (Soldering, 10 sec): 300℃.
Features
LTC1778HGN#PBF features: (1)No Sense Resistor Required; (2)True Current Mode Control; (3)Optimized for High Step-Down Ratios; (4)tON(MIN) ≦ 100ns; (5)Extremely Fast Transient Response; (6)Stable with Ceramic COUT; (7)Dual N-Channel MOSFET Synchronous Drive; (8)Power Good Output Voltage Monitor (LTC1778); (9)Wide VIN Range: 4V to 36V; (10)±1% 0.8V Voltage Reference; (11)Adjustable Current Limit; (12)Adjustable Switching Frequency; (13)Programmable Soft-Start; (14)Output Overvoltage Protection; (15)Optional Short-Circuit Shutdown Timer; (16)Micropower Shutdown: IQ < 30mA; (17)Available in a 16-Pin Narrow SSOP Package.
Diagrams

![]() |
![]() LTC1040 |
![]() Other |
![]() |
![]() Data Sheet |
![]() Negotiable |
|
||||||||||
![]() |
![]() LTC1040CN |
![]() |
![]() IC COMPARATOR LOW PWR DUAL 18DIP |
![]() Data Sheet |
![]()
|
|
||||||||||
![]() |
![]() LTC1040CN#PBF |
![]() |
![]() IC COMPARATOR LOW PWR DUAL 18DIP |
![]() Data Sheet |
![]()
|
|
||||||||||
![]() |
![]() LTC1040CSW |
![]() |
![]() IC COMPARATOR LOW PWR DUAL18SOIC |
![]() Data Sheet |
![]()
|
|
||||||||||
![]() |
![]() LTC1040CSW#PBF |
![]() |
![]() IC COMPARATOR LOW PWR DUAL18SOIC |
![]() Data Sheet |
![]()
|
|
||||||||||
![]() |
![]() LTC1040CSW#TR |
![]() |
![]() IC COMPARATOR DUAL LOWPWR 18SOIC |
![]() Data Sheet |
![]()
|
|
||||||||||
(China (Mainland))










