Product Summary
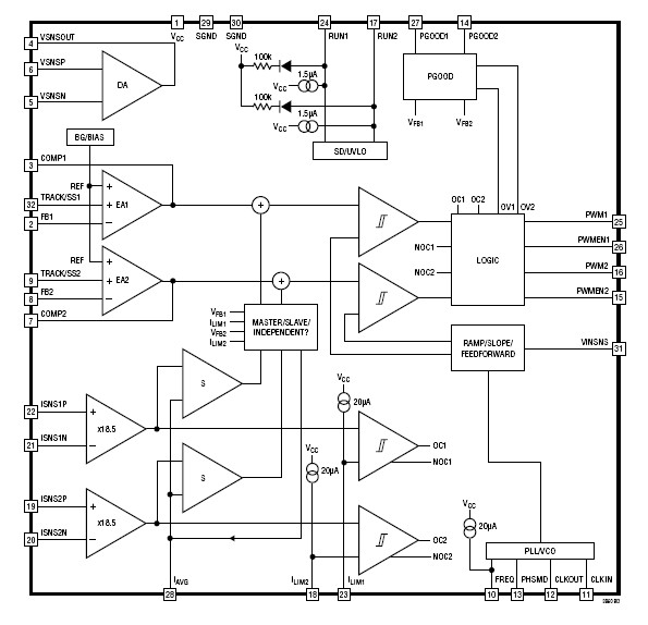
The LTC3860EUH#PBF is a Multiphase Step-Down Voltage Mode DC/DC Controller. The LTC3860EUH#PBF is a dual, PolyPhase synchronous stepdown switching regulator controller for high current distributed power systems, digital signal processors, and other telecom and industrial DC/DC power supplies. It uses a constant frequency voltage mode architecture combined with very low offset, high bandwidth error amplifiers and a remote output sense differential amplifier for excellent transient response and output regulation. The controller incorporates lossless inductor DCR current sensing to maintain current balance between phases and to provide overcurrent protection. The chip operates from a VCC supply between 3V and 5.5V and is designed for stepdown conversion from VIN between 3V and 24V to output voltages between 0.6V and VCC – 0.5V. The applications of the LTC3860EUH#PBF include High Current Distributed Power Systems, Digital Signal Processor and ASIC Supplies, Telecom Systems and Industrial Power Supplies.
Parametrics
LTC3860EUH#PBF absolute maximum ratings: (1)VCC Voltage: –0.3V to 6V; (2)VINSNS Voltage: –0.3V to 30V; (3)VSNSN Voltage: –0.3V to 2V; (4)RUN Voltage: –0.3V to 6V; (5)ISNS1P , ISNS1N, ISNS2P , ISNS2N: –0.3V to (VCC + 0.1V); (6)All Other Voltages: –0.3V to (VCC + 0.3V); (7)Operating Junction Temperature Range (Note 3): –40℃ to 85℃; (8)Storage Temperature Range: –65℃ to 125℃.
Features
LTC3860EUH#PBF features: (1)Constant Frequency Voltage Mode Control with Accurate Current Sharing; (2)±0.75% 0.6V Voltage Reference; (3)Differential Remote Output Voltage Sense Amplifier; (4)Multiphase Capability—Up to 12-Phase Operation; (5)Programmable Current Limit; (6)Safely Powers a Pre-Biased Load; (7)Programmable or PLL-Synchronizable Switching Frequency Up to 1.25MHz; (8)Lossless Current Sensing Using Inductor DCR or Precision Current Sensing with Sense Resistor; (9)Fast and Accurate True Operational Error Amplifiers; (10)VCC Range: 3V to 5.5V; (11)VIN Range: 3V to 24V; (12)Power Good Output Voltage Monitor; (13)Output Voltage Tracking Capability; (14)Programmable Soft-Start; (15)Available in a 32- Pin 5mm × 5mm QFN Package.
Diagrams

| Image | Part No | Mfg | Description | ![]() |
Pricing (USD) |
Quantity | ||||||||||
|---|---|---|---|---|---|---|---|---|---|---|---|---|---|---|---|---|
![]() |
![]() LTC3860EUH#PBF |
![]() |
![]() IC REG CTRLR BUCK PWM VM 32-QFN |
![]() Data Sheet |
![]()
|
|
||||||||||
| Image | Part No | Mfg | Description | ![]() |
Pricing (USD) |
Quantity | ||||||||||
![]() |
![]() LTC3025 |
![]() Other |
![]() |
![]() Data Sheet |
![]() Negotiable |
|
||||||||||
![]() |
![]() LTC3025EDC#TR |
![]() |
![]() IC REG LDO ADJ .3A 6DFN |
![]() Data Sheet |
![]()
|
|
||||||||||
![]() |
![]() LTC3025EDC#TRM |
![]() |
![]() IC REG LDO ADJ .3A 6DFN |
![]() Data Sheet |
![]()
|
|
||||||||||
![]() |
![]() LTC3025EDC#TRMPBF |
![]() |
![]() IC REG LDO ADJ .3A 6DFN |
![]() Data Sheet |
![]()
|
|
||||||||||
![]() |
![]() LTC3025EDC#TRPBF |
![]() |
![]() IC REG LDO ADJ .3A 6DFN |
![]() Data Sheet |
![]()
|
|
||||||||||
![]() |
![]() LTC3025EDC-1#TRMPBF |
![]() |
![]() IC REG LDO ADJ .5A 6DFN |
![]() Data Sheet |
![]()
|
|
||||||||||
(China (Mainland))











