Product Summary
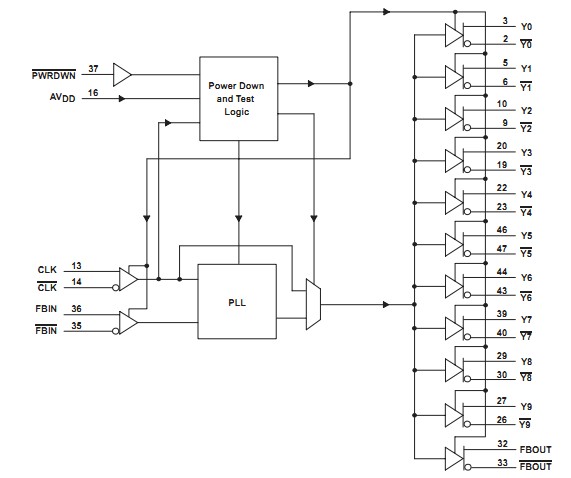
The CDCV857BDGGRG4 is a phase-lock loop clock driver.
Parametrics
CDCV857BDGGRG4 absolute maximum ratings: (1)Supply voltage range: 0.5 to 3.6V; (2)Input voltage range: -0.5 to VDDQ+0.5V; (3)Input clamp current: ±50mA; (4)Continuous current to GND or VDDQ: ±100mA; (5)Storage temperature range: -65 to 150℃.
Features
CDCV857BDGGRG4 features: (1)Phase-lock loop clock driver for double data-rate synchronous DRAM applications; (2)Spread spectrum clock compatible; (3)Operating frequency: 60MHz to 200MHz; (4)Enters low-power mode when no clk input signal is applied or PWRDWN is low; (5)Operates from dual 2.5v supplies.
Diagrams

| Image | Part No | Mfg | Description | ![]() |
Pricing (USD) |
Quantity | ||||||||||||
|---|---|---|---|---|---|---|---|---|---|---|---|---|---|---|---|---|---|---|
![]() |
![]() CDCV857BDGGRG4 |
![]() Texas Instruments |
![]() Clock Drivers & Distribution 2.5V Ph Lock Loop DDR Clock Driver |
![]() Data Sheet |
![]()
|
|
||||||||||||
| Image | Part No | Mfg | Description | ![]() |
Pricing (USD) |
Quantity | ||||||||||||
![]() |
![]() CDCV304PW |
![]() Texas Instruments |
![]() Clock Buffer CLOCK BUFFER |
![]() Data Sheet |
![]()
|
|
||||||||||||
![]() |
![]() CDCV304PWG4 |
![]() Texas Instruments |
![]() Clock Buffer CLOCK BUFFER |
![]() Data Sheet |
![]()
|
|
||||||||||||
![]() |
![]() CDCV304PWR |
![]() Texas Instruments |
![]() Clock Buffer Gen Purpose and PCI-X 1:4 Clock Buff |
![]() Data Sheet |
![]()
|
|
||||||||||||
![]() |
![]() CDCV304PWRG4 |
![]() Texas Instruments |
![]() Clock Buffer Gen Purpose and PCI-X 1:4 Clock Buff |
![]() Data Sheet |
![]()
|
|
||||||||||||
![]() CDCV304TPWREP |
![]() Texas Instruments |
![]() Clock Buffer EP Gen Purp & PCI-X 1:4 Clock Buffer |
![]() Data Sheet |
![]()
|
|
|||||||||||||
![]() |
![]() CDCV850DGG |
![]() Texas Instruments |
![]() Clock Drivers & Distribution 2.5V Ph Lock Loop Diff Clock Driver |
![]() Data Sheet |
![]()
|
|
||||||||||||
(China (Mainland))











