Product Summary
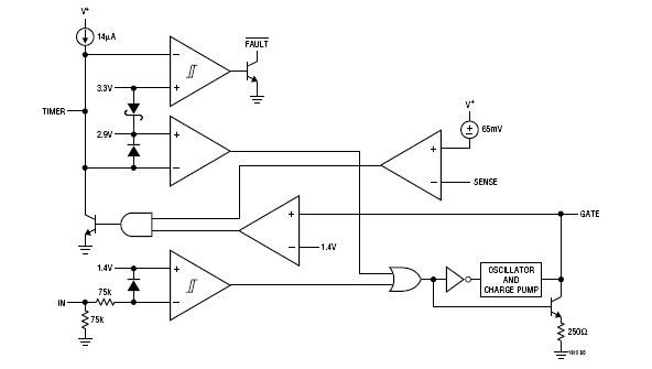
The LT1910ES8#PBF is a Protected High Side MOSFET Driver. The LT1910ES8#PBF is a high side gate driver that allows the use of low cost N-channel power MOSFETs for high side switching applications. The LT1910ES8#PBF contains a completely self-contained charge pump to fully enhance an N-channel MOSFET switch with no external components. When the internal drain comparator senses that the switch current has exceeded the preset level, the switch is turned off and a fault flag is asserted. The switch remains off for a period of time set by an external timing capacitor and then automatically attempts to restart. If the fault still exists, this cycle repeats until the fault is removed, thus protecting the MOSFET. The fault flag becomes inactive once the switch restarts successfully. The LT1910ES8#PBF has been specifically designed for harsh operating environments such as industrial, avionics and automotive applications where poor supply regulation and/or transients may be present. The device will not sustain damage from supply transients of –15V to 60V. The applications of the LT1910ES8#PBF include Industrial Control, Avionics Systems, Automotive Switches, Stepper Motor and DC Motor Control and Electronic Circuit Breaker.
Parametrics
LT1910ES8#PBF absolute maximum ratings: (1)Supply Voltage (Pin 8) : –15V to 60V; (2)Input Voltage (Pin 4) : (GND – 0.3V) to 15V; (3)GATE Voltage (Pin 5) : 75V; (4)SENSE Voltage (Pin 6) : V+ ±5V; (5)FAULT Voltage (Pin 3) : 36V; (6)Current (Pins 1, 2, 4, 5, 6, 8) : 40mA; (7)Operating Ambient Temperature Range (Note 2) : –40℃ to 85℃; (8)Junction Temperature Range : –40℃ to 125℃; (9)Storage Temperature Range : –65℃ to 150℃; (10)Lead Temperature (Soldering, 10 sec) : 300℃.
Features
LT1910ES8#PBF features: (1)8V to 48V Power Supply Range; (2)Protected from –15V to 60V Supply Transients; (3)Short-Circuit Protected; (4)Automatic Restart Timer; (5)Open-Collector Fault Flag; (6)Fully Enhances N-Channel MOSFET Switches; (7)Programmable Current Limit, Delay Time and Autorestart Period; (8)Voltage Limited Gate Drive; (9)Defaults to OFF State with Open Input; (10)Available in SO-8 Package.
Diagrams

| Image | Part No | Mfg | Description | ![]() |
Pricing (USD) |
Quantity | ||||||||||
|---|---|---|---|---|---|---|---|---|---|---|---|---|---|---|---|---|
![]() |
![]() LT1910ES8#PBF |
![]() |
![]() IC MOSFET DRIVER HIGH-SIDE 8SOIC |
![]() Data Sheet |
![]()
|
|
||||||||||
| Image | Part No | Mfg | Description | ![]() |
Pricing (USD) |
Quantity | ||||||||||
![]() |
![]() LT1904 |
![]() Other |
![]() |
![]() Data Sheet |
![]() Negotiable |
|
||||||||||
![]() |
![]() LT1910ES8 |
![]() |
![]() IC MOSFET DRIVER HIGH-SIDE 8SOIC |
![]() Data Sheet |
![]()
|
|
||||||||||
![]() |
![]() LT1910ES8#PBF |
![]() |
![]() IC MOSFET DRIVER HIGH-SIDE 8SOIC |
![]() Data Sheet |
![]()
|
|
||||||||||
![]() |
![]() LT1910ES8#TR |
![]() |
![]() IC DRIVER MOSFET HI SIDE 8SOIC |
![]() Data Sheet |
![]()
|
|
||||||||||
![]() |
![]() LT1910ES8#TRPBF |
![]() |
![]() IC MOSFET DRIVER HIGH-SIDE 8SOIC |
![]() Data Sheet |
![]()
|
|
||||||||||
![]() |
![]() LT1910IS8#PBF |
![]() |
![]() IC MOSFET DRIVER HI-SIDE 8-SOIC |
![]() Data Sheet |
![]()
|
|
||||||||||
(China (Mainland))










