Product Summary
The LT3060ETS8-1.8#TRPBF is a Linear Regulator. The LT3060ETS8-1.8#TRPBF is micropower, low dropout voltage (LDO) linear regulators that operate over a 1.6V to 45V input supply range. The LT3060ETS8-1.8#TRPBF supplies 100mA of output current with a typical dropout voltage of 300mV. A single external capacitor provides programmable low noise reference performance and output soft-start functionality. The LT3060ETS8-1.8#TRPBF’s quiescent current is merely 40μA and provides fast transient response with a minimum 2.2μF output capacitor. In shutdown, quiescent current is less than 1μA and the reference soft-start capacitor is reset. The LT3060ETS8-1.8#TRPBF regulators optimize stability and transient response with low ESR, ceramic output capacitors. The regulators do not require the addition of ESR as is common with other regulators. The applications of the LT3060ETS8-1.8#TRPBF include Battery-Powered Systems, Automotive Power Supplies, Industrial Power Supplies, Avionic Power Supplies and Portable Instruments.
Parametrics
LT3060ETS8-1.8#TRPBF absolute maximum ratings: (1)IN Pin Voltage: ±50V; (2)OUT Pin Voltage: ±50V; (3)Input-to-Output Differential Voltage (Note 2): ±50V; (4)ADJ Pin Voltage: ±50V; (5)SHDN Pin Voltage: ±50V; (6)REF/BYP Pin Voltage: – 0.3V, 1V; (7)Output Short-Circuit Duration: Indefinite; (8)Operating Junction Temperature (Notes 3, 5, 13): –40℃ to 125℃; (9)Storage Temperature Range: –65℃ to 150℃; (10)Lead Temperature (TS8 Soldering, 10 sec): 300℃.
Features
LT3060ETS8-1.8#TRPBF features: (1)The features of 输入型号can be summarized as (1)Input Voltage Range: 1.6V to 45V; (2)Output Current: 100mA; (3)Quiescent Current: 40μA; (4)Dropout Voltage: 300mV; (5)Low Noise: 30μVRMS (10Hz to 100kHz); (6)Adjustable Output: VREF = 600mV; (7)Fixed Output Voltages: 1.2V, 1.5V, 1.8V, 2.5V, 3.3V, 5V; (8)Output Tolerance: ±2% Over Line, Load and Temperature; (9)Single Capacitor Soft-Starts Reference and Lowers Output Noise; (10)Shutdown Current: < 1μA; (11)Reverse Battery Protection; (12)Current Limit Foldback Protection; (13)Thermal Limit Protection; (14)8-Lead 2mm × 2mm × 0.75mm DFN and 8-Lead ThinSOT Packages.
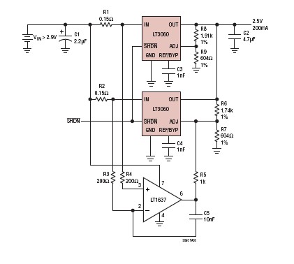
Diagrams

| Image | Part No | Mfg | Description | ![]() |
Pricing (USD) |
Quantity | ||||||||||||
|---|---|---|---|---|---|---|---|---|---|---|---|---|---|---|---|---|---|---|
![]() |
![]() LT3060ETS8-1.8#TRPBF |
![]() |
![]() IC REG LDO 1.8V .1A TSOT23-8 |
![]() Data Sheet |
![]()
|
|
||||||||||||
| Image | Part No | Mfg | Description | ![]() |
Pricing (USD) |
Quantity | ||||||||||||
![]() |
![]() LT300 |
![]() Extech |
![]() Environmental Test Equipment LIGHT METER |
![]() Data Sheet |
![]() Negotiable |
|
||||||||||||
![]() |
![]() LT300014T2610KJ |
![]() TE Connectivity |
![]() Thermistors - PTC LT 3000 1/4W 10K 5% |
![]() Data Sheet |
![]()
|
|
||||||||||||
![]() |
![]() LT300302CR |
![]() Littelfuse |
![]() Fuseholders, Clips, & Hardware ACS 300V Class T 30A 2 Pole |
![]() Data Sheet |
![]() Negotiable |
|
||||||||||||
![]() |
![]() LT300014T261K0J |
![]() TE Connectivity |
![]() Thermistors - PTC LT 3000 1/4W 1K0 5% |
![]() Data Sheet |
![]()
|
|
||||||||||||
![]() |
![]() LT3003 |
![]() Other |
![]() |
![]() Data Sheet |
![]() Negotiable |
|
||||||||||||
![]() |
![]() LT30030 |
![]() Other |
![]() |
![]() Data Sheet |
![]() Negotiable |
|
||||||||||||
(China (Mainland))












