Product Summary
The TEA6848H/V1 is a New In Car Entertainment car radio tuner IC.
Parametrics
TEA6848H/V1 absolute maximum ratings: (1)analog supply voltage 1 for FM IF amplifier: -0.3 to +10 V; (2)analog supply voltage 2 for FM and AM RF: -0.3 to +10 V; (3)analog supply voltage 3 for tuning PLL: -0.3 to +10 V; (4)analog supply voltage 4 for voltage controlled oscillator: -0.3 to +10 V; (5)analog supply voltage 5 for on-chip power supply: -0.3 to +6.5 V; (6)analog supply voltage 6 for on-chip power supply: -0.3 to +10 V; (7)digital supply voltage: -0.3 to +6.5 V; (8)difference between any 8.5 V supply voltage and any 5 V supply voltage: -0.3 V; (9)storage temperature: -55 to +150 ℃; (10)ambient temperature: -40 to +85 ℃.
Features
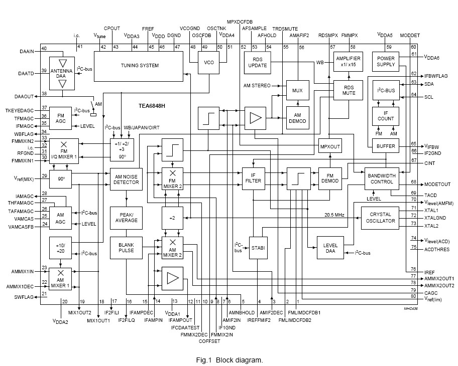
TEA6848H/V1 features: (1)FM mixer 1 for conversion of FM RF (65 to 108 MHz and US weather band) to IF of 10.7 MHz; the mixer provides inherent image rejection; for European and US FM band/WB (weather band) the mixer is driven with a ‘high’ injection Local Oscillator (LO); in Japan FM band and East Europe FM band the mixer is driven with a ‘low’ injection LO; (2)AM mixer 1 for conversion of AM RF to AM IF1 of 10.7 MHz; (3)LC tuner oscillator providing mixer frequencies for FM mixer and AM mixer 1; (4)AM mixer 2 for conversion of AM IF1 to AM IF2 of 450 kHz; (5)Crystal oscillator providing mixer frequencies for AM mixer 2 and FM mixer 2 and reference for synthesizer PLL, IF count, timing for Radio Data System (RDS) update and reference frequency for car audio signal processor ICs; (6)Fast synthesizer PLL tuning system with local control for inaudible RDS updating; (7)Timing function for RDS update algorithm and control signal output for car audio signal processor ICs (TEA688x, SAA77xx, TEF689x); (8)Digital alignment circuit for bus controlled matching of oscillator tuning voltage to FM antenna tank circuit tuning voltage; (9)AGC PIN diode drive circuit for FM RF AGC; AGC detection at FM mixer input; the AGC PIN diode drive can be activated by the I2C-bus as a local function for search tuning; AGC threshold is a programmable and keyed function switchable via the I2C-bus; (10)FM IF linear amplifier with high dynamic input range; (11)FM mixer 2 for conversion of FM IF1 to FM IF2 of 450 kHz with inherent image rejection; (12)Fully integrated dynamic selectivity and FM demodulator at IF2; improved sensitivity with dynamic threshold extension; centre frequency of IF2 selectivity alignment via the I2C-bus; (13)Level detector for AM and FM with temperature compensated output voltage; starting point and slope of level output is programmable via the I2C-bus.
Diagrams

| Image | Part No | Mfg | Description | ![]() |
Pricing (USD) |
Quantity | ||||||||||||
|---|---|---|---|---|---|---|---|---|---|---|---|---|---|---|---|---|---|---|
![]() |
![]() TEA6848H/V1 |
![]() NXP Semiconductors |
![]() Tuners NICE PACS |
![]() Data Sheet |
![]() Negotiable |
|
||||||||||||
![]() |
![]() TEA6848H/V1,518 |
![]() NXP Semiconductors |
![]() Tuners NICE PACS |
![]() Data Sheet |
![]() Negotiable |
|
||||||||||||
![]() |
![]() TEA6848H/V1S,518 |
![]() NXP Semiconductors |
![]() Tuners CAR RADIO TUNER IC W/PRECSN ADJ CH SUPP |
![]() Data Sheet |
![]()
|
|
||||||||||||
![]() |
![]() TEA6848H/V1,557 |
![]() NXP Semiconductors |
![]() Tuners NICE PACS |
![]() Data Sheet |
![]() Negotiable |
|
||||||||||||
![]() |
![]() TEA6848H/V1-T |
![]() NXP Semiconductors |
![]() Tuners NICE PACS |
![]() Data Sheet |
![]() Negotiable |
|
||||||||||||
![]() |
![]() TEA6848H/V1S,557 |
![]() NXP Semiconductors |
![]() Tuners NICE CAR RADIO TUNER IC PRCSN ADJ CH SUPP |
![]() Data Sheet |
![]() Negotiable |
|
||||||||||||
(China (Mainland))










