Product Summary
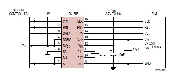
The LTC1555CGN#TR is a SIM power supply and level translater. Its applications include SIM interface in GSM cellular telephones, smart card readers.
Parametrics
LTC1555CGN#TR absolute maximum ratings: (1)VIN, DVCC to GND: -0.3 to 12V; (2)VCC to GND: -0.3 to 12V; (3)Digital inputs to GND: -0.3 to 12V; (4)LDO, CLK, RST, I/O to GND: -0.3 to VCC+0.3V; (5)Storage temperature range: -65 to 150℃; (6)Temperature range: 0 to 70℃; (7)Extended commercial operating temperature range: -40 to 85℃; (8)Lead temperature: 300℃.
Features
LTC1555CGN#TR features: (1)Step-up/step-down charge pump generates 5V; (2)Input voltage range: 2.7V to 10V; (3)Output current: 10mA; (4)3V to 5V signal level translators; (5)>10kV ESD on all sim contact pins; (6)short-circuit and overtemperature protected.
Diagrams

| Image | Part No | Mfg | Description | ![]() |
Pricing (USD) |
Quantity | ||||||
|---|---|---|---|---|---|---|---|---|---|---|---|---|
![]() |
![]() LTC1555CGN#TR |
![]() |
![]() IC LEVEL XLATOR/SIM PS 16SSOP |
![]() Data Sheet |
![]()
|
|
||||||
![]() |
![]() LTC1555CGN#TRPBF |
![]() |
![]() IC LEVEL TRANSLATOR 16-SSOP |
![]() Data Sheet |
![]()
|
|
||||||
(China (Mainland))









