Product Summary
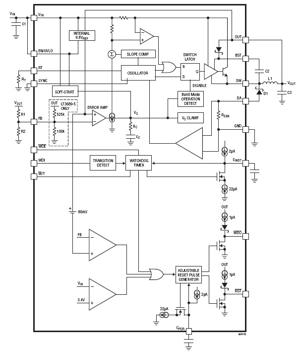
The LT3689EUD-5#PBF is a Step-Down Regulator. The LT3689EUD-5#PBF is an adjustable frequency (350kHz to 2.2MHz) monolithic step-down switching regulator with a power-on reset and watchdog timer. The regulator operates from inputs up to 36V and withstands transients up to 60V. Low ripple Burst Mode operation maintains high efficiency at low output current while keeping output ripple below 15mV in a typical application, with input quiescent current of just 85μA. Shutdown circuitry reduces input supply current to less than 1μA while EN/UVLO is pulled low. Using a resistor divider on the EN/UVLO pin provides a programmable undervoltage lockout. Current limit, frequency foldback and thermal shutdown provide fault protection. The reset and watchdog timeout periods are independently adjustable using external capacitors. Tight accuracy specifications and glitch immunity ensure reliable reset operation of a system without false triggering. The open collector RST will pull down if output voltage drops 10% below the programmed value. The watchdog timer is pin-selectable for window or timeout modes. In timeout mode, WDO pulls low if too long of a period passes before a watchdog transition is detected. In window mode, the LT3689EUD-5#PBF monitors for WDI falling edges grouped too close together or too far apart. The applications of the LT3689EUD-5#PBF include Automotive Electronic Control Units and Industrial Power Supplies.
Parametrics
LT3689EUD-5#PBF absolute maximum ratings: (1)VIN, EN/UVLO Voltage (Note 2): 60V; (2)BST Voltage: 60V; (3)BST Above SW Voltage: 30V; (4)OUT, WDE Voltage: 30V; (5)FB, RT, SYNC, W/T, WDI, RST, WDO Voltage: 6V; (6)CWDT, CPOR Voltage: 3V; (7)Operating Junction Temperature Range (Note 3): –40℃ to 125℃; (8)Storage Temperature Range: –65℃ to 150℃; (9)Lead Temperature (Soldering, 10 sec) MSOP: 300℃.
Features
LT3689EUD-5#PBF features: (1)85μA IQ at 12VIN to 3.3VOUT; (2)Low Ripple Burst ModeR Operation Allows Output Ripple <15mVP-P; (3)Programmable, Defeatable Watchdog Timer with Window or Timeout Control; (4)Programmable Power-On Reset Timer (POR); (5)Synchronizable, Adjustable 350kHz to 2.2MHz Switching Frequency; (6)700mA Output Switching Regulator with Internal Power Switch; (7)Fixed 5V or Adjustable Output Voltage; (8)800mV Feedback Voltage; (9)Programmable Input Undervoltage Lockout with Hysteresis; (10)16-Pin 3mm x 3mm QFN and 16-Pin MSOP Packages.
Diagrams

| Image | Part No | Mfg | Description | ![]() |
Pricing (USD) |
Quantity | ||||||||||
|---|---|---|---|---|---|---|---|---|---|---|---|---|---|---|---|---|
![]() |
![]() LT3689EUD-5#PBF |
![]() |
![]() IC REG BUCK 5V 0.7A 16QFN |
![]() Data Sheet |
![]()
|
|
||||||||||
| Image | Part No | Mfg | Description | ![]() |
Pricing (USD) |
Quantity | ||||||||||
![]() |
![]() LT3640EFE#PBF |
![]() |
![]() IC REG BUCK FIX/ADJ DL 28TSSOP |
![]() Data Sheet |
![]()
|
|
||||||||||
![]() |
![]() LT3640EFE#TRPBF |
![]() |
![]() IC REG BUCK FIX/ADJ DL 28TSSOP |
![]() Data Sheet |
![]()
|
|
||||||||||
![]() |
![]() LT3640EUFD#PBF |
![]() |
![]() IC REG BUCK FIX/ADJ DL 28QFN |
![]() Data Sheet |
![]()
|
|
||||||||||
![]() |
![]() LT3640EUFD#TRPBF |
![]() |
![]() IC REG BUCK FIX/ADJ DL 28QFN |
![]() Data Sheet |
![]()
|
|
||||||||||
![]() |
![]() LT3640IFE#PBF |
![]() |
![]() IC REG BUCK FIX/ADJ DL 28TSSOP |
![]() Data Sheet |
![]()
|
|
||||||||||
![]() |
![]() LT3640IFE#TRPBF |
![]() |
![]() IC REG BUCK FIX/ADJ DL 28TSSOP |
![]() Data Sheet |
![]()
|
|
||||||||||
(China (Mainland))











