Product Summary
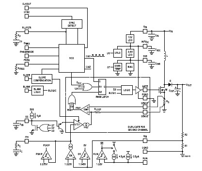
The LTC3859AIUHF#PBF is a Multi-Phase Current Mode Step-Up DC/DC Controller. The LTC3859AIUHF#PBF is a two-phase constant frequency, current mode boost and SEPIC controller that drives N-channel power MOSFETs. Two-phase operation reduces system filtering capacitance and inductance requirements. The operating frequency can be set with an external resistor over a 75kHz to 500kHz range and can be synchronized to an external clock using the internal PLL. Multiphase operation is possible using the SYNC input, the CLKOUT output and the PHASEMODE control pin allowing 2-, 3-, 4-, 6- or 12-phase operation. Other features include an internal 10V LDO with under voltage lockout protection for the gate drivers, a precision RUN pin threshold with programmable hysteresis, soft-start and programmable leading edge blanking and maximum duty cycle. The applications of the LTC3859AIUHF#PBF include Automotive, Telecom and Industrial Power Supplies.
Parametrics
LTC3859AIUHF#PBF absolute maximum ratings: (1)Input Supply Voltage (VIN): –0.3V to 40V; (2)INTVCC Voltage: –0.3V to 11V; (3)INTVCC LDO RMS Output Current: 50mA; (4)RUN Voltage: –0.3V to 8V; (5)SYNC Voltage: –0.3V to 6V; (6)SLOPE, PHASEMODE, DMAX, BLANK Voltage: –0.3V to 3V8; (7)SENSE1+, SENSE1–, SENSE2+, SENSE2– Voltage: –0.3V to V3V8; (8)SS, PLLFLTR Voltage: –0.3V to V3V8; (9)ITH Voltage: –0.3V to 2.7V; (10)FB Voltage: –0.3V to 3V8; (11)FREQ Voltage: –0.3V to 1.5V; (12)Storage Temperature Range: –65℃ to 150℃; (13)Reflow Peak Body Temperature: 260℃.
Features
LTC3859AIUHF#PBF features: (1)Wide VIN Range: 5.5V to 36V Operation; (2)2-Phase Operation Reduces Input and Output Capacitance; (3)Fixed Frequency, Peak Current Mode Control; (4)Internal 10V LDO Regulator; (5)Lower UVLO Thresholds Allows the Use of MOSFETs Rated at 6V VGS; (6)Adjustable Slope Compensation Gain; (7)Adjustable Max Duty Cycle (Up to 96%); (8)Adjustable Leading Edge Blanking; (9)±1% Internal Voltage Reference; (10)Programmable Operating Frequency with One External Resistor (75kHz to 500kHz); (11)Phase-Lockable Fixed Frequency 50kHz to 650kHz; (12)SYNC Input and CLKOUT for 2-, 3-, 4-, 6- or 12-Phase Operation (PHASEMODE Programmable); (13)24-Lead Narrow SSOP Package; (14)5mm × 5mm QFN Package with 0.65mm Lead Pitch; (15)24-Lead Thermally Enhanced TSSOP Package.
Diagrams

| Image | Part No | Mfg | Description | ![]() |
Pricing (USD) |
Quantity | ||||||||||
|---|---|---|---|---|---|---|---|---|---|---|---|---|---|---|---|---|
![]() |
![]() LTC3859AIUHF#PBF |
![]() |
![]() IC REG CTRLR BST PWM CM 38-QFN |
![]() Data Sheet |
![]()
|
|
||||||||||
| Image | Part No | Mfg | Description | ![]() |
Pricing (USD) |
Quantity | ||||||||||
![]() |
![]() LTC3025 |
![]() Other |
![]() |
![]() Data Sheet |
![]() Negotiable |
|
||||||||||
![]() |
![]() LTC3025EDC#TR |
![]() |
![]() IC REG LDO ADJ .3A 6DFN |
![]() Data Sheet |
![]()
|
|
||||||||||
![]() |
![]() LTC3025EDC#TRM |
![]() |
![]() IC REG LDO ADJ .3A 6DFN |
![]() Data Sheet |
![]()
|
|
||||||||||
![]() |
![]() LTC3025EDC#TRMPBF |
![]() |
![]() IC REG LDO ADJ .3A 6DFN |
![]() Data Sheet |
![]()
|
|
||||||||||
![]() |
![]() LTC3025EDC#TRPBF |
![]() |
![]() IC REG LDO ADJ .3A 6DFN |
![]() Data Sheet |
![]()
|
|
||||||||||
![]() |
![]() LTC3025EDC-1#TRMPBF |
![]() |
![]() IC REG LDO ADJ .5A 6DFN |
![]() Data Sheet |
![]()
|
|
||||||||||
(China (Mainland))










