Product Summary
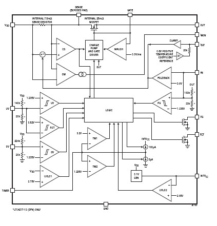
The LTC4217CDHC-12#PBF is an Integrated Hot Swap Controller. The LTC4217CDHC-12#PBF is an integrated solution for Hot Swap™ applications that allows a board to be safely inserted and removed from a live backplane. The part integrates a Hot Swap controller, power MOSFET and current sense resistor in a single package for small form factor applications. A dedicated 12V version (LTC4217CDHC-12#PBF) contains preset 12V specific thresholds, while the standard LTC4217CDHC-12#PBF allows adjustable thresholds. The LTC4217CDHC-12#PBF provides separate inrush current control and a 5% accurate 2A current limit with foldback current limiting. The current limit threshold can be adjusted dynamically using an external pin. Additional features include a current monitor output that amplifies the sense resistor voltage for ground referenced current sensing and a MOSFET temperature monitor output. Thermal limit, overvoltage, undervoltage and power good monitoring are also provided. The applications of the LTC4217CDHC-12#PBF include RAID Systems, Server I/O Cards and Industrial.
Parametrics
LTC4217CDHC-12#PBF absolute maximum ratings: (1)Supply Voltage (VDD): –0.3V to 28V; (2)Input Voltages FB, OV, UV: –0.3V to 12V; (3)TIMER: –0.3V to 3.5V; (4)SENSE: VDD – 10V or – 0.3V to VDD; (5)Output Voltages ISET, IMON: –0.3V to 3V; (6)PG, FLT: –0.3V to 35V; (7)OUT: –0.3V to VDD + 0.3V; (8)INTVCC: –0.3V to 3.5V; (9)GATE (Note 3): –0.3V to 33V; (10)Operating Temperature Range: 0℃ to 70℃; (11)Junction Temperature (Notes 4, 5): 125℃; (12)Storage Temperature Range: –65℃ to 150℃; (13)Lead Temperature (Soldering, 10 sec) FE Package Only: 300℃.
Features
LTC4217CDHC-12#PBF features: (1)Small Footprint; (2)33mΩ MOSFET with RSENSE; (3)Wide Operating Voltage Range: 2.9V to 26.5V; (4)Adjustable, 5% Accurate Current Limit; (5)Current and Temperature Monitor Outputs; (6)Over temperature Protection; (7)Adjustable Current Limit Timer Before Fault; (8)Power Good and Fault Outputs; (9)Adjustable Inrush Current Control; (10)2% Accurate Under voltage and Overvoltage Protection; (11)Available in 20-Lead TSSOP and 16-Lead 5mm × 3mm DFN Packages.
Diagrams

| Image | Part No | Mfg | Description | ![]() |
Pricing (USD) |
Quantity | ||||||||||
|---|---|---|---|---|---|---|---|---|---|---|---|---|---|---|---|---|
![]() |
![]() LTC4217CDHC-12#PBF |
![]() |
![]() IC CTRLR HOT SWAP 2A 16-DFN |
![]() Data Sheet |
![]()
|
|
||||||||||
| Image | Part No | Mfg | Description | ![]() |
Pricing (USD) |
Quantity | ||||||||||
![]() |
![]() LTC4000EGN#PBF |
![]() |
![]() IC CHARGER BATTERY 28-SSOP |
![]() Data Sheet |
![]()
|
|
||||||||||
![]() |
![]() LTC4000EGN#TRPBF |
![]() |
![]() IC CHARGER BATTERY 28-SSOP |
![]() Data Sheet |
![]()
|
|
||||||||||
![]() |
![]() LTC4000EGN-1#PBF |
![]() |
![]() IC CHARGE MGMT MULTI CHEM 28SSOP |
![]() Data Sheet |
![]()
|
|
||||||||||
![]() |
![]() LTC4000EGN-1#TRPBF |
![]() |
![]() IC CHARGE MGMT MULTI CHEM 28SSOP |
![]() Data Sheet |
![]()
|
|
||||||||||
![]() |
![]() LTC4000EUFD#PBF |
![]() |
![]() IC CHARGER BATTERY 28-QFN |
![]() Data Sheet |
![]()
|
|
||||||||||
![]() |
![]() LTC4000EUFD#TRPBF |
![]() |
![]() IC CHARGER BATTERY 28-QFN |
![]() Data Sheet |
![]()
|
|
||||||||||
(China (Mainland))












