Product Summary
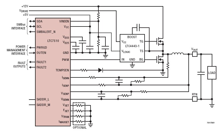
The LTC7510EUH#PBF is a Digital DC/DC Controller. The LTC7510EUH#PBF is a digital DC/DC controller with onboard non-volatile memory and PMBus interface for real time reporting and control of point-of-load (POL) power management. Power supply sequencing, margining, turn on/- off and fault detection are easily programmed via the PMBus interface. The LTC7510EUH#PBF uses a digital control loop which eliminates external compensation components. The controller supports current sharing of multiple ICs; up to four controllers can be synchronized for multiphase operation. The LTC7510EUH#PBF provides superior accuracy through internal calibration to correct current sense error sources upon start-up and programmable temperature compensation provides accurate current sensing over temperature. The LTC7510EUH#PBF is available in a 32-lead (5mm × 5mm) QFN package. The applications of the LTC7510EUH#PBF include Digital Power System Management and Intelligent Point-of-Load (POL) Power Regulation.
Parametrics
LTC7510EUH#PBF absolute maximum ratings: (1)Supply Voltage (VCC): –0.3V to 6V; (2)VSENP, VSENN: –0.3V to 3V; (3)ISENP, ISENN: –0.3V to VCC; (4)OUTEN, SYNC_IN, SYNC_OUT, SMBALERT_N,; (5)PWRGD, PWM, SDA, SCL, FAULT1, FAULT2, SADDR_M: –0.3V to 6V; (6)All Other Pins: –0.3V to 4.25V; (7)Differential Voltage VSEN_DIFF (VSENP – VSENN): –0.3V to 2.5V; (8)Operating Temperature Range (Note 2): –40℃ to 85℃; (9)Junction Temperature: 125℃; (10)Storage Temperature Range: –65℃ to 150℃; (11)Write Temperature: 0℃ to 85℃; (12)Read Temperature: –40℃ to 85℃.
Features
LTC7510EUH#PBF features: (1)Digital PID Control Loop; (2)Output Voltage Range: 0.7V to VCC – 0.9V; (3)Optional Resistor-Based PMBus Address, Output Voltage, Frequency and Current Limit Set; (4)150kHz to 2MHz Switching Frequency; (5)DCR Current Sense with Temperature Compensation; (6)Adjustable Active Voltage Positioning (AVP) Control; (7)On-Chip Non-Volatile Memory (NVM) for Confi guration Storage; (8)Soft-Start Into Pre-Biased Load; (9)Current Sharing; (10)32-Lead (5mm × 5mm) QFN Package.
Diagrams

| Image | Part No | Mfg | Description | ![]() |
Pricing (USD) |
Quantity | ||||||||||
|---|---|---|---|---|---|---|---|---|---|---|---|---|---|---|---|---|
![]() |
![]() LTC7510EUH#PBF |
![]() |
![]() IC CONTROLLER DC/DC DGTL 32QFN |
![]() Data Sheet |
![]()
|
|
||||||||||
| Image | Part No | Mfg | Description | ![]() |
Pricing (USD) |
Quantity | ||||||||||
![]() |
![]() LTC7510 |
![]() Other |
![]() |
![]() Data Sheet |
![]() Negotiable |
|
||||||||||
![]() |
![]() LTC7510EUH#PBF |
![]() |
![]() IC CONTROLLER DC/DC DGTL 32QFN |
![]() Data Sheet |
![]()
|
|
||||||||||
![]() |
![]() LTC7510EUH#TRPBF |
![]() |
![]() IC CONTROLLER DC/DC DGTL 32QFN |
![]() Data Sheet |
![]()
|
|
||||||||||
![]() |
![]() LTC7541ABN#PBF |
![]() |
![]() IC CMOS D/A CONV 12BIT 18-DIP |
![]() Data Sheet |
![]()
|
|
||||||||||
![]() |
![]() LTC7541ABSW |
![]() |
![]() IC CMOS D/A CONV 12BIT 18-SOIC |
![]() Data Sheet |
![]()
|
|
||||||||||
![]() |
![]() LTC7541ABSW#PBF |
![]() |
![]() IC CMOS D/A CONV 12BIT 18-SOIC |
![]() Data Sheet |
![]()
|
|
||||||||||
(China (Mainland))











