Product Summary
The MEO450-12DA is a Fast Recovery Epitaxial Diode (FRED) Module. The applications of the MEO450-12DA include Antiparallel diode for high frequency switching devices Free wheeling diode in converters, and motor control circuits, Inductive heating and melting, Uninterruptible power supplies (UPS), Ultrasonic cleaners and welders.
Parametrics
MEO450-12DA absolute maximum ratings: (1)IFRMS TC =75℃: 640A; (2)IFAVM TC =75℃; rectangular, d = 0.5: 453A; (3)IFRM tP<10μs; rep. rating, pulse width limited by TVJM:2460A; (4)Ptot TC = 25℃: 1750W; (5)Weight: 150g.
Features
MEO450-12DA features: (1)International standard package with DCB ceramic base plate; (2)Planar passivated chips; (3)Short recovery time; (4)Low switching losses; (5)Soft recovery behaviour; (6)Isolation voltage 3600 V; (7)UL registered E 72873.
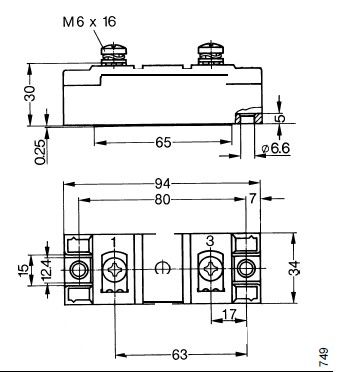
Diagrams

| Image | Part No | Mfg | Description | ![]() |
Pricing (USD) |
Quantity | ||||
|---|---|---|---|---|---|---|---|---|---|---|
![]() |
![]() MEO450-12DA |
![]() Ixys |
![]() Discrete Semiconductor Modules 450 Amps 1200V |
![]() Data Sheet |
![]() Negotiable |
|
||||
| Image | Part No | Mfg | Description | ![]() |
Pricing (USD) |
Quantity | ||||
![]() |
![]() MEO450-12DA |
![]() Ixys |
![]() Discrete Semiconductor Modules 450 Amps 1200V |
![]() Data Sheet |
![]() Negotiable |
|
||||
(China (Mainland))









