Product Summary
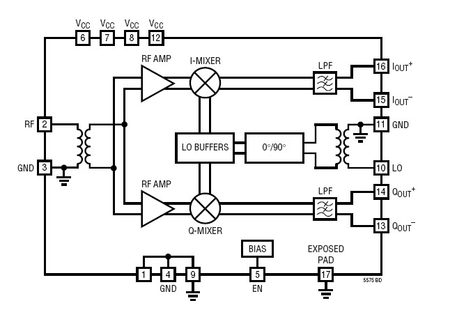
The LT5575EUF is a High Linearity Direct Conversion Quadrature Demodulator. The LT5575EUF is an 800MHz to 2.7GHz direct conversion quadrature demodulator optimized for high linearity receiver applications. It is suitable for communications receivers where an RF signal is directly converted into I and Q baseband signals with bandwidth up to 490MHz. The LT5575EUF incorporates balanced I and Q mixers, LO buffer amplifiers and a precision, high frequency quadrature phase shifter. The integrated on-chip broadband transformers provide 50Ω single-ended interfaces at the RF and LO inputs. Only a few external capacitors are needed for its application in an RF receiver system. The high linearity of the LT5575EUF provides excellent spurfree dynamic range for the receiver. This direct conversion demodulator can eliminate the need for intermediate frequency (IF) signal processing, as well as the corresponding requirements for image filtering and IF filtering. Channel filtering can be performed directly at the outputs of the I and Q channels. These outputs can interface directly to channel-select filters (LPFs) or to baseband amplifiers. The applications of the LT5575EUF include Cellular/PCS/UMTS Infrastructure, RFID Reader and High Linearity Direct Conversion I/Q Receiver.
Parametrics
LT5575EUF absolute maximum ratings: (1)Power Supply Voltage: 5.5V; (2)Enable Voltage: –0.3V to VCC + 0.3V; (3)LO Input Power: 10dBm; (4)RF Input Power: 20dBm; (5)RF Input DC Voltage: ±0.1V; (6)LO Input DC Voltage: ±0.1V; (7)Operating Ambient Temperature: –40℃ to 85℃; (8)Storage Temperature Range: –65℃ to 125℃; (9)Maximum Junction Temperature: 125℃.
Features
LT5575EUF features: (1)Input Frequency Range: 0.8GHz to 2.7GHz; (2)50Ω Single-Ended RF and LO Ports; (3)High IIP3: 28dBm at 900MHz, 22.6dBm at 1.9GHz; (4)High IIP2: 54.1dBm at 900MHz, 60dBm at 1.9GHz; (5)Input P1dB: 13.2dBm at 900MHz; (6)I/Q Gain Mismatch: 0.04dB Typical; (7)I/Q Phase Mismatch: 0.4° Typical; (8)Low Output DC Offsets; (9)Noise Figure: 12.8dB at 900MHz, 12.7dB at 1.9GHz; (10)Conversion Gain: 3dB at 900MHz, 4.2dB at 1.9GHz; (11)Very Few External Components; (12)Shutdown Mode; (13)16-Lead QFN 4mm × 4mm Package with Exposed Pad.
Diagrams

| Image | Part No | Mfg | Description | ![]() |
Pricing (USD) |
Quantity | ||||||||||
|---|---|---|---|---|---|---|---|---|---|---|---|---|---|---|---|---|
![]() |
![]() LT5575EUF#PBF |
![]() |
![]() IC DIRECT QUADRATURE DEMOD 16QFN |
![]() Data Sheet |
![]()
|
|
||||||||||
![]() |
![]() LT5575EUF#TRPBF |
![]() |
![]() IC DIRECT QUADRATURE DEMOD 16QFN |
![]() Data Sheet |
![]()
|
|
||||||||||
(China (Mainland))









