Product Summary
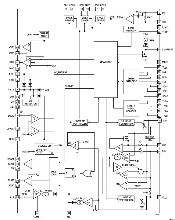
The LTC1760CFW#PBF is a Dual Smart Battery System Manager. The LTC1760CFW#PBF Smart Battery System Manager is a highly integrated level 3 battery charger and selector intended for products using dual smart batteries. Three SMBus interfaces allow the LTC1760CFW#PBF to servo to the internal voltage and currents measured by the batteries while allowing an SMBus Host to monitor either battery’s status. Charging accuracy is determined by the battery’s internal voltage and current measurement, typically better than ±0.2%. A proprietary PowerPathTMarchitecture supports simultaneous charging or discharging of both batteries. Typical battery run times are extended by up to 10%, while charging times are reduced by up to 50%. The LTC1760CFW#PBF automatically switches between power sources in less than 10μs to prevent power interruption upon battery or wall adapter removal. The LTC1760CFW#PBF implements all elements of a version 1.1 “Smart Battery System Manager” except for the generation of composite battery information. An internal multiplexer cleanly switches the SMBus Host to either of the two attached Smart Batteries without generating partial messages to batteries or SMBus Host. Thermistors on both batteries are automatically monitored for temperature and disconnection information (Safety Signal). The applications of the LTC1760CFW#PBF include Portable Computers and Instruments, Standalone Dual Smart Battery Chargers and Battery Backup Systems.
Parametrics
LTC1760CFW#PBF absolute maximum ratings: (1)Voltage from DCIN, SCP, SCN, CLP, VPLUS, SW to GND: 32V/–0.3 V; (2)Voltage from SCH1, SCH2 to GND: 28V/–0.3 V; (3)Voltage from BOOST to GND: 37V/ –0.3V; (4)CSP, CSN, BAT1, BAT2 to GND: 28V/–0.3V; (5)LOPWR, DCDIV to GND: 10V/ –0.3V; (6)Voltage from VCC2, VDDS to GND: 7V/–0.3 V; (7)SDA1, SDA2, SDA, SCL1, SCL2, SCL, SMBALERT to GND: 7V/–0.3V; (8)MODE to GND: VCC2 +0.3V/–0.3V; (9)COMP1 to GND: 5V/ –0.3V; (10)Operating Ambient Temperature (Note 6): 0℃ to 70℃; (11)Operating Junction Temperature: –40℃ to 125℃; (12)Storage Temperature: –65℃ to 150℃; (13)Lead Temperature (Soldering, 10 sec): 300℃.
Features
LTC1760CFW#PBF features: (1)SMBus Charger/Selector for Two Smart Batteries; (2)Voltage and Current Accuracy within 0.2% of Value Reported by Battery; (3)Simplifies Construction of “Smart Battery System Manager”; (4)Includes All SMBus Charger V1.1 Safety Features; (5)Supports Autonomous Operation without a Host; (6)SMBus Switching for Dual Batteries with Alarm Monitoring for Charging Battery at All Times; (7)Pin Programmable Limits for Maximum Charge Current and Voltage Improve Safety; (8)Allows Both Batteries to Discharge Simultaneously into Single Load with Low Loss (Ideal Diode); (9)Fast Autonomous Power Path Switching (<10ms); (10)Low Loss Simultaneous Charging of Two Batteries; (11)>95% Efficient Synchronous Buck Charger; (12)AC Adapter Current Limiting* Maximizes Charge Rate; (13)SMBus Accelerator Improves SMBus Timing; (14)Available in 48-Lead TSSOP Package.
Diagrams

| Image | Part No | Mfg | Description | ![]() |
Pricing (USD) |
Quantity | ||||||||||
|---|---|---|---|---|---|---|---|---|---|---|---|---|---|---|---|---|
![]() |
![]() LTC1760CFW#PBF |
![]() |
![]() IC MANAGER BATTERY DUAL 48TSSOP |
![]() Data Sheet |
![]()
|
|
||||||||||
| Image | Part No | Mfg | Description | ![]() |
Pricing (USD) |
Quantity | ||||||||||
![]() |
![]() LTC1040 |
![]() Other |
![]() |
![]() Data Sheet |
![]() Negotiable |
|
||||||||||
![]() |
![]() LTC1040CN |
![]() |
![]() IC COMPARATOR LOW PWR DUAL 18DIP |
![]() Data Sheet |
![]()
|
|
||||||||||
![]() |
![]() LTC1040CN#PBF |
![]() |
![]() IC COMPARATOR LOW PWR DUAL 18DIP |
![]() Data Sheet |
![]()
|
|
||||||||||
![]() |
![]() LTC1040CSW |
![]() |
![]() IC COMPARATOR LOW PWR DUAL18SOIC |
![]() Data Sheet |
![]()
|
|
||||||||||
![]() |
![]() LTC1040CSW#PBF |
![]() |
![]() IC COMPARATOR LOW PWR DUAL18SOIC |
![]() Data Sheet |
![]()
|
|
||||||||||
![]() |
![]() LTC1040CSW#TR |
![]() |
![]() IC COMPARATOR DUAL LOWPWR 18SOIC |
![]() Data Sheet |
![]()
|
|
||||||||||
(China (Mainland))












