Product Summary
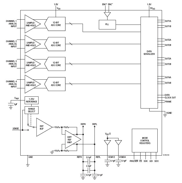
The LTC2172IUKG-12#PBF is an Analog Digital Converter. The LTC2172IUKG-12#PBF is 4-channel, simultaneous sampling 12-bit A/D converters designed for digitizing high frequency, wide dynamic range signals. The LTC2172IUKG-12#PBF is perfect for demanding communications applications with AC performance that includes 71dB SNR and 90dB spurious free dynamic range (SFDR). An ultralow jitter of 0.15psRMS allows under sampling of IF frequencies with excellent noise performance. DC specifi cations include ±0.3LSB INL (typ), ±0.1LSB DNL (typ) and no missing codes over temperature. The transition noise is a low 0.3LSBRMS. The digital outputs are serial LVDS to minimize the number of data lines. Each channel outputs two bits at a time (2-lane mode) or one bit at a time (1-lane mode). The LVDS drivers have optional internal termination and adjustable output levels to ensure clean signal integrity. The applications of the LTC2172IUKG-12#PBF include Communications, Cellular Base Stations, Software Defined Radios, Portable Medical Imaging, Multichannel Data Acquisition and Nondestructive Testing.
Parametrics
LTC2172IUKG-12#PBF absolute maximum ratings: (1)Supply Voltages VDD , OVDD: –0.3V to 2V; (2)Analog Input Voltage (AIN+, AIN–,PAR/SER, SENSE) (Note 3):–0.3V to (VDD + 0.2V); (3)Digital Input Voltage (ENC+, ENC–, CS, SDI, SCK) (Note 4): –0.3V to 3.9V; (4)SDO (Note 4): –0.3V to 3.9V; (5)Digital Output Voltage: –0.3V to (OVDD + 0.3V); (6)Operating Temperature Range: –40℃ to 85℃; (7)Storage Temperature Range: –65℃ to 150℃.
Features
LTC2172IUKG-12#PBF features: (1)4-Channel Simultaneous Sampling ADC; (2)71dB SNR; (3)90dB SFDR; (4)Low Power: 306mW/198mW/160mW Total, 77mW/50mW/40mW per Channel; (5)Single 1.8V Supply; (6)Serial LVDS Outputs: One or Two Bits per Channel; (7)Selectable Input Ranges: 1VP-P to 2VP-P; (8)800MHz Full Power Bandwidth Sample-and-Hold; (9)Shutdown and Nap Modes; (10)Serial SPI Port for Configuration; (11)Pin-Compatible 14-Bit and 12-Bit Versions; (12)52-Pin (7mm × 8mm) QFN Package.
Diagrams

| Image | Part No | Mfg | Description | ![]() |
Pricing (USD) |
Quantity | ||||||||||
|---|---|---|---|---|---|---|---|---|---|---|---|---|---|---|---|---|
![]() |
![]() LTC2172IUKG-12#PBF |
![]() |
![]() IC ADC 12BIT SER/PAR 65M 52-QFN |
![]() Data Sheet |
![]()
|
|
||||||||||
| Image | Part No | Mfg | Description | ![]() |
Pricing (USD) |
Quantity | ||||||||||
![]() |
![]() LTC201A |
![]() Other |
![]() |
![]() Data Sheet |
![]() Negotiable |
|
||||||||||
![]() |
![]() LTC201ACN |
![]() |
![]() IC SWITCH QUAD SPST 16DIP |
![]() Data Sheet |
![]()
|
|
||||||||||
![]() |
![]() LTC201ACN#PBF |
![]() |
![]() IC SWITCH QUAD SPST 16DIP |
![]() Data Sheet |
![]()
|
|
||||||||||
![]() |
![]() LTC201ACS |
![]() |
![]() IC SWITCH QUAD SPST 16SOIC |
![]() Data Sheet |
![]()
|
|
||||||||||
![]() |
![]() LTC201ACS#PBF |
![]() |
![]() IC SWITCH QUAD SPST 16SOIC |
![]() Data Sheet |
![]()
|
|
||||||||||
![]() |
![]() LTC201ACS#TR |
![]() |
![]() IC SWITCH QUAD SPST 16SOIC |
![]() Data Sheet |
![]()
|
|
||||||||||
(China (Mainland))












