Product Summary
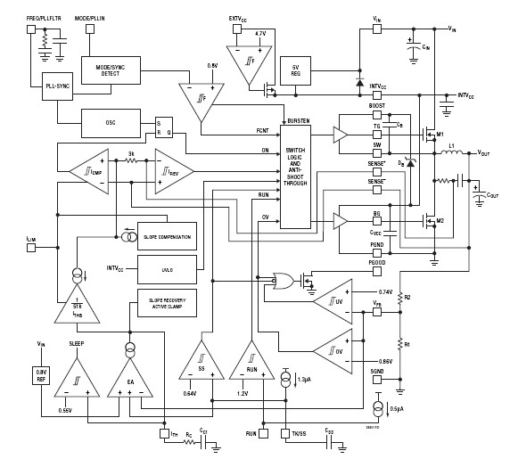
The LTC3850EUF is a Synchronous Step-Down Switching Controller. The LTC3850EUF is a high performance dual synchronous step-down switching regulator controller that drives all N-channel power MOSFET stages. A constant-frequency current mode architecture allows a phase-lockable frequency of up to 780kHz. Power loss and supply noise are minimized by operating the two controller output stages out of phase. OPTI-LOOP compensation allows the transient response to be optimized over a wide range of output capacitance and ESR values. The LTC3850EUF features a precision 0.8V reference and a power good output indicator. A wide 4V to 24V (28V maximum/30V for LTC3850I) input supply range encompasses most battery chemistries and intermediate bus voltages. Independent TK/SS pins for each controller ramp the output voltages during start-up. Current foldback limits MOSFET heat dissipation during short-circuit conditions. The MODE/PLLIN pin selects among Burst Mode operation, pulse-skipping mode, or continuous inductor current mode and allows the IC to be synchronized to an external clock. The LTC3850EUF is available in low profile 28-pin 4mm × 4mm, 4mm × 5mm QFN and narrow SSOP packages. The applications of the LTC3850EUF include Notebook and Palmtop Computers, Portable Instruments and Battery-Operated Digital Devices.
Parametrics
LTC3850EUF absolute maximum ratings: (1)Input Supply Voltage (VIN): 28V to –0.3V; (2)Top Side Driver Voltages BOOST1, BOOST2: 34V to –0.3V; (3)Switch Voltage (SW1, SW2): 28V to –5V; (4)INTVCC, RUN1, RUN2, PGOOD, EXTVCC, (BOOST1-SW1), (BOOST2-SW2): 6V to –0.3V; (5)SENSE1+, SENSE2+, SENSE1–, SENSE2– Voltages: 5.5V to –0.3V; (6)MODE/PLLIN, ILIM,TK/SS1,TK/SS2, FREQ/PLLFLTR Voltages: INTVCC to –0.3V; (7)ITH1, ITH2, VFB1, VFB2 Voltages: 2.7V to –0.3V; (8)INTVCC Peak Output Current: 100mA; (9)Operating Temperature Range (Note 2): –40℃ to 85℃; (10)Junction Temperature (Note 3): 125℃; (11)Storage Temperature Range: –65℃ to 125℃; (12)Lead Temperature (Soldering, 10 sec) (GN Package): 300℃.
Features
LTC3850EUF features: (1)Dual, 180° Phased Controllers Reduce Required Input Capacitance and Power Supply Induced Noise; (2)High Efficiency: Up to 95%; (3)RSENSE or DCR Current Sensing; (4)±1% 0.8V Output Voltage Accuracy; (5)Phase-Lockable Fixed Frequency 250kHz to 780kHz; (6)Supports Pre-Biased Output; (7)Dual N-Channel MOSFET Synchronous Drive; (8)Wide VIN Range: 4V to 24V (30V for LTC3850I) Operation; (9)Adjustable Soft-Start Current Ramping or Tracking; (10)Foldback Output Current Limiting; (11)Output Overvoltage Protection; (12)Power Good Output Voltage Monitor; (13)28-Pin 4mm × 4mm, 4mm × 5mm QFN and Narrow SSOP Packages.
Diagrams

| Image | Part No | Mfg | Description | ![]() |
Pricing (USD) |
Quantity | ||||||||||
|---|---|---|---|---|---|---|---|---|---|---|---|---|---|---|---|---|
![]() |
![]() LTC3850EUF#PBF |
![]() |
![]() IC REG CTRLR BUCK PWM CM 28-QFN |
![]() Data Sheet |
![]()
|
|
||||||||||
![]() |
![]() LTC3850EUF#TRPBF |
![]() |
![]() IC REG CTRLR BUCK PWM CM 28-QFN |
![]() Data Sheet |
![]()
|
|
||||||||||
![]() |
![]() LTC3850EUFD#PBF |
![]() |
![]() IC REG CTRLR BUCK PWM CM 28-QFN |
![]() Data Sheet |
![]()
|
|
||||||||||
![]() |
![]() LTC3850EUFD#TRPBF |
![]() |
![]() IC REG CTRLR BUCK PWM CM 28-QFN |
![]() Data Sheet |
![]()
|
|
||||||||||
(China (Mainland))









