Product Summary
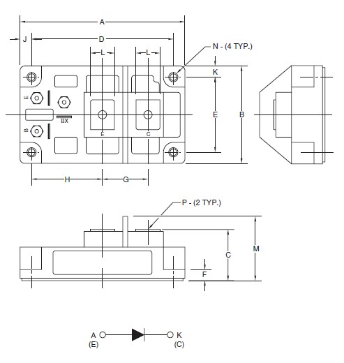
The RM400HA-34S is a Powerex Super-Fast Recovery Single Diode Module. It is designed for use in applications requiring fast switching. The RM400HA-34S is isolated for easy mounting with other components on common heatsinks. The applications of the RM400HA-34S include Inverters, Choppers, Switching Power Supplies, Free Wheeling.
Parametrics
RM400HA-34S absolute maximum ratings: (1)Peak Reverse Blocking Voltage VRRM: 1700 Volts; (2)Transient Peak Reverse Blocking Voltage (Non-Repetitive), t<5ms VRSM: 1700 Volts; (3)DC Reverse Blocking Voltage VR(DC): 1360 Volts; (4)DC Current, TC = 90℃ IF(DC): 400 Amperes; (5)Peak Half-Cycle Surge (Non-Repetitive) On-State Current (60Hz) IFSM: 8000 Amperes; (6)Junction Temperature Tj: -40 to 150℃; (7)Storage Temperature TSTG: -40 to 125℃; (8)Module Weight (Typical): 450 Grams; (9)V Isolation VRMS: 3000 Volts.
Features
RM400HA-34S features: (1)Isolated Mounting; (2)Planar Chips.
Diagrams

| Image | Part No | Mfg | Description | ![]() |
Pricing (USD) |
Quantity | ||||||
|---|---|---|---|---|---|---|---|---|---|---|---|---|
![]() |
![]() RM400HA-34S |
![]() |
![]() DIODE SUPER FAST SGL 1700V 400A |
![]() Data Sheet |
![]()
|
|
||||||
| Image | Part No | Mfg | Description | ![]() |
Pricing (USD) |
Quantity | ||||||
![]() |
![]() RM4000 |
![]() Tektronix |
![]() Test Accessories - Other Rackmount Kit for DPO4000/MSO4000 |
![]() Data Sheet |
![]() Negotiable |
|
||||||
![]() |
![]() RM400DY-66S |
![]() Other |
![]() |
![]() Data Sheet |
![]() Negotiable |
|
||||||
![]() |
![]() RM400HA-20S |
![]() Other |
![]() |
![]() Data Sheet |
![]() Negotiable |
|
||||||
![]() |
![]() RM400HA-24S |
![]() |
![]() DIODE FAST REC SGL 1200V 400A |
![]() Data Sheet |
![]()
|
|
||||||
![]() |
![]() RM400HA-34S |
![]() |
![]() DIODE SUPER FAST SGL 1700V 400A |
![]() Data Sheet |
![]()
|
|
||||||
![]() |
![]() RM400HV-34S |
![]() Other |
![]() |
![]() Data Sheet |
![]() Negotiable |
|
||||||
(China (Mainland))










